6av6电子管应用电路 CB电台发展史回顾:三根电子管组成了1956年流行的JRC-400 CB电台

小编头像

小编

管理员

发布于:2025年05月05日

102 阅读 · 0 评论

CB电台发展史回顾:三根电子管组成了1956年流行的JRC-400 CB电台

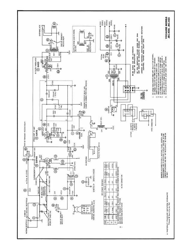
1956年Vocaline JRC-400 CB无线电收发信机

27 MHz的熟悉的D类市民波段距离我们似乎很遥远。 465 MHz的B类公民频段已获得多年授权,但正如1956年6月的《流行电子》杂志指出的那样,由于设备要求,该服务没有获得批准。

市民频段(无线电话)的设备必须符合联邦通信委员会FCC规定的规范。要通过这些规范,必须由FCC在其实验室中对设备进行检查和批准。由于这种繁琐的安排(虽然完全合理),市民无线电设备的设计已经退居多年。 Vocaline Model JRC-400收发器打破了沉默,将市民波段电台通讯设施带到了每个人的口袋里。 在制造商获得FCC批准后,他可以在装配线的基础上生产相同的装置。

该杂志承诺在即将到来的问题上进一步审查,但包括一些关于Vocaline单元的观察,可以在117V交流电或6V直流电上运行。现场测试显示,大城市地区的可靠范围为1.5英里,开放区域为3英里。在国内,弱信号完全可读达6英里。

1956年VocalineAntenna同一期杂志刊登此收藏品的广告,显示其零售价为69.75美元 。天线可单独购买,由四分之一波长的地平面组成,可以用大吸盘固定在车顶上。

该产品的示意图可在线获得,并显示该组使用三个电子管。 6AF4用作超级再生检波器和发射器的振荡器。对于发送和接收的音频,使用了6AV6和6AS5。电源包括用于直流操作的振动器,并包括硒整流器。

CB电台浅谈

20世纪90年代以来,以信息技术为主导的新科技革命,加快了全球经济一体化进程,推动着工业社会向信息社会转变。信息技术和信息产业已成为21世纪世界经济增长的主要动力,谁掌握了信息技术谁就掌握了财富、把握了发展的先机。目前,中国的信息产业已成为推动国民经济飞速增长的支柱型产业,呈现出惊人的发展势头,信息技术得到空前的开发和利用。这其中尤其以无线通信的发展最引人注目,无线通信市场空前繁荣,无线业务日趋丰富,无线技术日新月异,无线网络日臻完善。特别是中国的公众移动通信发展速度惊人,除国家规定的正常业务外,还衍生出其他一些非规划无线电业务的存在,如其中所谓的“市民频段(Citizen Band)”即CB。

一、CB由来

在西方国家,特别在美国,由于社会的需要,在1958年美国联邦通讯委员会把一组电台频率专门分配给民间非营利性电台使用,这一民用波段citizens band简称CB。其中最著名的是在70年代风靡一时的话音通信。移动CB业务,特别是在卡车内一直非常流行。

在美国最先成用这种CB的是卡车司机,他们在驾驶途中用它来互通有关天气、公路路面、车辆往来等方面的情况,有时甚至在超速行车时用它来相互通风报信,以避开警察的耳目。

后来使用范围扩大到公路维修、森林管理、地质勘察、电视拍摄等许多行业。到了七十年代,特别在七三年以后的三、四年中,民用波段电台在美国一下子热门起来了,各行各业都拿来用于短距离通讯联系,甚至连一般家庭也用上了。现在每十四户人家便有一台。人们拿来与亲戚朋友通讯联系,向饭店订菜饭与床位。这种用CB的民用电台构造类似步话机。

由于使用这种CB电台不得使用密码,加上该电台的先驱使用者—卡车司机的影响,一种特有的民用波段,即CB电台用语(称为CB用语)便应“用”而生了。与业余广播相比,民用电台广播服务(Citizen's Band (CB) Radio Service),也可简单称之为CB,是一种公共的双道个人无线电广播服务,并有若干业务等级。就更低程度而言,CB者们参与家中的固定业务,在可移动通信中使用手持无线电收发器。

大部分的CB业务发生在27兆赫兹这个较窄频道内,在这个带宽中有40个频道,已经过于拥挤。当这个27兆赫兹的带宽支持著名的“skip”世界范围通信时,拥堵最严重的情况会发生在每11年一轮回的太阳黑子高峰年中。太阳黑子高峰年发生在1967-69, 1978-80, 1989-91和2000-2002年。高峰年出现的间隔期中,在27兆赫兹波段上的正常业务很少高于20英里。有些CB业务操作者非法修改了他们的仪器,或非法获得已经被改进的仪器,改装后的仪器具备比联邦通信委员会规则允许更高的发射输出功率和更大的频率覆盖范围。这些操作者试图用他们的仪器进行更长距离的通信,或与服务的其他用户竞争,这被称之为freebanding或bootlegging。

二、CB在我国

我国没有开放CB,在《中华人民共和国无线电频率划分规定》[信部联无]771号文中的43种无线电业务分类和频率分配中根本没有CB这种业务。

有些国家允许居民个人购买特定频段、特定品种的电台而不需要经批准,这些频段就是所谓的“市民频段(Citizen Band)”,即CB。但是CB不是国际电信联盟所认可的业务,国际频率分配表中也没有CB的位置。

某些市场和杂志广告中上有一种出口转内销的所谓“CB”电台。在我国不可以购买使用。购买、使用我国批准的“公众对讲机”以外的CB电台属于私设电台、无照发射和私自占用频率的是违法行为。

我国目前允许个人不经过批准而购买、设置、使用的通信用无线电台只有一种,即“公众对讲机”。

“公众对讲机”是一种发射功率不大于0.5W、只能工作于专门指定的“公众对讲机”频点、经过信息产业部核准的对讲机。公众对讲机的天线一般不能拆卸更换,城市通话距离小于1公里,最多只可以显示20个频道号码,功能简单,包装或说明上标有民用对讲机型号核准代码,产品带有公众对讲机登记卡,需在购买时填写。凡是天线能拆卸,或者标称城市条件下通话距离达到1公里以上,或者可以显示工作频率,或者功能复杂者,不会是公众对讲机。

三、CB影响

由于民用频段的市民无线电台使用简便,而且任何人都可利用,所以很普及。到1982年12月止,日本全国得到批准的民用频段无线电台已达26万个。由于民用频段无线电台只分配了8个信道频率,在城市中容易产生混台同频干扰,不大实用。因此,有部分无线电台的使用者,私自把其发射机改造,增加发射的功率或非法使用没有得到批准的频道,从而干扰了广播、电视、航空导航及其他无线通信,造成社会问题。

和所有的汽车公用一条道路相似,所有的无线电台都公用同一个无线电频谱进行通信。如果没有科学管理,将会造成互相干扰,乃至发生重大事故。因此全世界都十分重视无线电波的管理和协调。二次世界大战期间,世界性国际合作基本停顿,唯独世界无线电管理始终维持正常协调,可见无线电波管理之重要。改革开放以来,国家颁发了一系列关于无线电管理的法律、法规和规章,在满足需要的同时,对无线电台的设置、使用有严格的规定。

雅马哈RX-V6A评测

雅马哈是家庭影院领域备受关注的品牌。从他们的AV功放到耳机,他们多年来一直在市场上处于领先地位,并通过他们的产品建立了一个非常专业的用户圈。Yamaha RX-V6A 最多可连接7 声道扬声器和两个低音炮。只要使用虚拟天空通道功能,就可以打造出环绕感极佳的家庭影院系统。

在雅马哈特别加强了音质之后,RX-V6A也有出色的声音表现。因此,即使是用来听音乐,也有着极好的水准。此外,RX-V6A 还可以连接流媒体、数字和模拟等各种信号源,可用作家庭的视听娱乐中心。

雅马哈RX-V6A是一款7.2声道AV功放,内置100瓦放大功能,支持你对这个价格的AV功放所期望的所有功能。如杜比全景声和DTS:X、杜比环绕和DTS:X上混技术,以及雅马哈专有的虚拟技术。

Yamaha的YPAO RSC具有多点自动校准系统、高分辨率音频、USB 和蓝牙传输、用于在线和多房间音频的MusicCast和Airplay 2、无线后置扬声器支持、音乐增强器、语音控制和新的 HDMI 2.1 端口以及专为游戏添加的功能,例如 ALLM、VRR、QMS 和 QFT。

设计

关于RX-V6A的设计,我喜欢雅马哈为他们的新产品所做的设计。外观更现代,摆脱了以前看起来过时的旧风格。

圆形音量旋钮几乎完全位于前面,并重新定位在中间。显示屏也发生了变化。它是一个LCD屏,位于音量旋钮的右侧。

第二个较小的旋钮用于导航显示屏并选择最右侧的输入源。在中央旋钮的左侧,我们发现了两个小指示灯,Zone 和 Pure Direct,在其右侧,LCD 下方,有一些触摸控件。有四个按钮用于SCENE 选择、返回和菜单。

前面板下部有一小部分,为磨砂面。左侧的圆形按钮用于电源、连接外部存储的 USB 端口、YPAO 麦克风输入端口和通常的耳机插孔。这些重新设计的AV功放似乎取消了之前的模拟立体声输入。与Yamaha RX-V4A中的相同。

Yamaha RX-V6A配备高速放大器,有助于准确传输信号,尤其适用于高分辨率音频信号。一般来说,高速放大器会造成信号传输不稳定,但雅马哈新设计的电路实现了高速稳定的信号传输。该放大器还具有384 kHz / 32 bit 的BB PCM5102A DAC 用于其所有音频转换。

控制

遥控器和我们测试RX-V4A时看到的一样,老实说,这对我们来说并不新鲜。遥控器是带有塑料和橡胶按钮的常用遥控器。总体来说没有什么新意,但在这个价格范围内显然是可以理解的。

按钮位置相同,只是顶部的开关名称不同。它现在代表MAIN和Zone 2。其他一切都一样,你可能需要一段时间来适应按钮的位置,就像任何新的遥控器一样,但除此之外,它的实用性和功能都非常完美。但是它没有背光功能,所以在黑暗中使用它会更具挑战性。

我喜欢雅马哈为其最新产品发布所采用的新设计。不过,虽然它的外观和体验都很新鲜,但如果有一点需要改进的话,那就是遥控器,因为它与其他部分的设计不太协调。

连接

当你查看提供的连接时,我们会发现Yamaha 已经完全改变了它们的端口布局和数量,并且倾向于使用HDMI端口而不是所有其他传统端口。正如我们前面提到的,它有一个耳机插孔、一个YPAO麦克风端口和一个用于连接外部存储的USB。

遗憾的是,这里缺少RX-V685的模拟立体声输入。虽然这是一个小疏忽,但它仍然是一个端口。RX-V6A 的背面是扬声器输出和七个HDMI输入。这些新的Yamaha功放令人印象深刻的是,它们在2020年提供了比所有竞争品牌更多的HDMI 2.1输入。

例如,Denon和Marantz只有一个HDMI 2.1,但Yamaha RX-V6A提供了三个。对于这个价格,可以说是令人震惊的。还有四个HDMI 2.0输入和一个HDMI输出。大多数中等价位的产品都是单一的输出,所以这并不奇怪。

Yamaha RX-V6A AV功放的HDMI 2.1端口带来了很多功能,包括4K超高清视频(包括4K/60、50Hz 10/12bit)、3D视频、ARC(音频回传通道)、eARC(增强音频回传通道)、HDMI控制 (CEC)、自动音画同步、色深、“xvColor”、高清音频播放、21:9 纵横比、BT.2020 色彩空间、HDR兼容性、杜比视界、HLG、 HDR10+、ALLM、VRR、QMS 和 QFT。

Yamaha RX-V6A在4K/60Hz和4K/120Hz YCbCr 4:2:2信号 (32Gbps) 下看电影或玩游戏没有问题。这意味着使用PS5没有问题。不过,少数功放在接受4K/120Hz RGB信号(8bit、10 bit、12 bit)的情况下,比如来自Xbox Series X的信号,此时就会出现问题。

因此,唯一的解决方案是将你的信号源设备直接连接到电视,从eARC 到功放。有三个模拟立体声输入,一个专用于唱机。1个同轴和1个光纤数字输入,2.2通道前置输出,1个Zone 2输出,1个12V触发输出,1个用于有线连接到网络的本地以太网端口,以及常用的DAB/FM 和WiFi/蓝牙天线连接器。

功放内置WiFi,支持2.4和5GHz网络,还配备蓝牙v4.2。这和以前一样,所以这里没有变化。

YPAO APP

在一些附加功能上,雅马哈RX-V6A AV功放与RX-V4A非常相似,但我们发现它提供的功能有一些小的添加和改进。与往常一样,我们首先研究的是音频校准系统。

雅马哈使用YPAO系统,和所有类似的系统一样,它可以根据型号进行调整。在RX-V6A中,相比RX-V4A版本,升级的版本更多。它被称为是带有多点的YPAO RSC。

YPAO将分析您房间的声学效果,测量扬声器的特性,并调整不需要的反射声,以优化您家庭影院的每个声道。此外,RSC(反射控制)功能负责校正早期反射,并通过影院DSP参数,根据这些反射提供效果归一化。

与主系统相比,结果更加的平衡,可以提高杜比全景声和DTS:X的性能。整个过程相对容易。只需按照屏幕上的说明进行操作。即使您之前没有太多类似校准的经验,也可以毫无困难地完成。

即使您的设置有问题,YPAO系统也会提示您一些信息。这些校准系统通常提供相当好的操作,特别是对于那些不熟悉手动调整的人。它可以是一个很好的帮手。

在进行此声音校准之前,您需要按照基本的初始设置将所有设备连接到功放。如果你之前做过一些初级的连接,事情就变得很简单了,应该没有问题,而且可以很快搞定。

但即使有什么麻烦,雅马哈也创建了一个设置指南应用程序,这是一个明确指导设置的应用程序。您可以将其安装在您的移动设备上,选择相应的型号,然后按照说明进行必要的电缆连接。此应用程序可免费下载,并可在iOS和Android设备上使用。

该界面简单明了,可以指导您将系统连接到所有内容。这是一个友好的小程序。如果你是新手,就会发现应用程序的便利性。

语音助手和 MusicCast

Yamaha承诺增加对Amazon Alexa和Google Assistant的支持。不过,如果您想使用这些,您还需要有一个外部设备,例如Echo Dot或Google Home设备。它还可以通过移动设备上的 Airplay 2应用程序使用Apple的Siri语音进行控制。既然我们已经提到了Airplay 2,我们就来谈谈这款设备的流媒体和多房间功能。

它支持MusicCast。有了它,您可以将支持 MusicCast 的各种设备连接到功放。这可以通过支持Android和iOS设备的MusicCast移动应用程序来完成。另一方面,如果您是Apple手机用户,则随附的Airplay 2应用程序允许您将各种Airplay 2设备连接到该设备。

Airplay 2应用程序可以从Apple Store下载。功放还具有一些多房间功能,与我们在RX-V4A中获得的功能相比略有增强。例如,可以将后部或前部周围的端子连接到另一个房间的扬声器以创建区域2。

使用Yamaha RX-V6A,如果您想将扬声器放置在另一个房间,您可以选择7.2声道 + Zone2或5.2.2 声道 + Zone2的扬声器配置。但MusicCast 和Airplay 2可以创建多房间环境,并通过各种流媒体服务播放在线流媒体音乐。

许多著名的平台都可用,例如Amazon Music、Spotify、Pandora、Napster、SiriusXM、Tidal、Deezer、Qobuz等。

但流媒体不仅限于其在线服务,因为您还可以使用功率放大器播放来自您所连接的本地网络上的NAS服务器或网络存储的音频。上面我们已经提到了它的USB播放功能,所以它的蓝牙支持是最后需要说的。该设备配备蓝牙v4.2,可以将音乐流式传输到支持蓝牙的扬声器或耳机。

其它功能

雅马哈RX-V6A 还有更多值得一提的功能。一种是HDMI 转HDMI 4K升频,如果您更喜欢使用功放而不是电视,是否应该使用此功能取决于您的电视性能,因此我们建议您尝试两者以确定哪个更好。

还有HDMI-CEC。您可以使用电视遥控器来控制功率放大器,从而减少您在家庭影院中使用的遥控器数量。假设您要使用独立的功放来驱动前声道的高音和低音。

还支持双功放功能,改善前声场的声学和性能。虽然这是一个更高级的功能,但这样的AV功放没有太大的价值,但作为一个附加功能,拥有它总是好的,很多家庭影院爱好者都喜欢它。

最后,还支持无线扬声器,包括MusicCast 20和MusicCast 50环绕扬声器。此外,还有一个可以连接的MusicCast SUB 100低音炮。这样,您就不受线缆的束缚,可以随时在您的区域放置扬声器。

Yamaha RX-V6A AV功放提供与RX-V4A 类似的功能。但是,也有一些细微的改进,例如更好的YPAO系统和更好的多区域功能。此外,雅马哈为这款中档AV功放提供了一个相当标准的功能列表,大多数用户都可以使用。足够用了。

声音表现

该设备是典型的7.2声道型号。它支持7.2声道音频设置,或者如果你想使用杜比全景声,它最多可以支持5.2.2声道。像往常一样,支持Dolby Atmos和DTS :X,当然也支持所有较旧的音频混合,例如Dolby TrueHD、DTS-HD Master Audio、Dolby Digital Plus、Dolby Digital和DTS。

其中不可缺少的就是上混技术,配备典型的杜比虚拟环绕声和DTS Neural:X是这些的标准配置,可以将立体声混音等低版本音轨升级为全景环绕声。在这部分,和大多数中端产品一样,它配备了雅马哈的Cinema DSP 3D,这与我们在RX-V4A和雅马哈的许多中低端产品中看到的版本完全相同。这是RX-A1080及以上版本。

HD3版本的升级版。Cinema DSP 3D是一种用于创建自然立体声场的技术,例如电影院或音乐厅。RX-V6A有17种不同的DSP程序供您选择。简而言之,这项技术将处理它接收到的任何音频信号,并根据您的选择以某种方式对其进行增强。

这种技术可以创造一些很酷的效果,但正如我常说的,效果取决于电影的来源。大多数时候,最终的结果会偏离制作者的初衷。声音是人工的和过度处理的。作为音频纯粹主义者,我们倾向于尽可能避免使用它,但您可能无法找到适合您的口味,因此尝试总是好的。

Cinema DSP 3D可以模拟各种音频环境,还负责设备的虚拟功能。首先,通过虚拟影院DSP,设备可以实现只连接前置扬声器的环绕声。我还发现了Virtual Cinema Front。

这种智能技术允许您将环绕扬声器放在前面,并且仍然可以在您的聆听位置后面获得环绕声信息。如果您不能将环绕扬声器放在后面,这将非常有用。

虚拟环绕声后置扬声器可以在完全不使用环绕声扬声器的情况下实现环绕声效果。使用 Silent Cinema,您只需使用耳机即可享受环绕声和声场效果。说到它的内部放大器,该设备每声道可以输出100瓦(8 ohms,20 Hz-20 kHz,0.06% 2ch 驱动),在完整的5.2.2甚至7.2声道系统中使用时会更低。

在影片测试中,我选择了一个5.1.2声道系统,一个低音炮和两个纵向扬声器放置在主扬声器上方的前部。

我们选择的电影是《哥斯拉大战金刚》,它具有爆炸性的杜比全景声(Dolby Atmos)音轨,可通过随附的杜比数字增强编解码器获得。在我们看来,这部电影的整体质量可能并不高,但从技术优势来看,它的巨大规模是毋庸置疑的。

这类电影实施环绕系统,可以描绘其宏伟作品的所有框架,并呈现这些怪物的所有力量、大小和重量。雅马哈在这方面做得非常出色。

这里的音轨非常活跃,弹道轨道、导弹、战斗机从我们头顶掠过。当金刚在海上被转移并被哥斯拉袭击时,后方有大量的音频信息,包括水下和水面效果,将我们拉入剧情。同样令人印象深刻的是天空效果,尽管它们不像环绕声那样靠近脸部那么明显。

为了提供场景的垂直延伸,天空扬声器进行了出色的缩放和垂直延伸。这是微妙的,但这正是使场景更加可信和逼真所需要的。

然而,如果一件作品让你坐在座位上,那是你从中获得的低频和能量。每次碰撞,我都会在座位上颤抖,好像金刚和哥斯拉就在我们房间外面解决他们的战斗。但这不仅仅是输出多少低频音量的问题。

它的分辨率和低频清晰度是显而易见的,因为即使在最激烈的场景中,它也不会感到失真或失控。RX-V6A的音量很大。我不能让它达到极限,所以你不必担心这个。如果最大音量足够令人印象深刻,那么它的输出分量没有太多失真同样引人注目。RX-V6A可能不适合大房间,但对于任何中型客厅或家庭影院,它都能做得更好。

音乐方面,它不仅支持MP3、WMA 和 AAC 等常见的低质量音频格式,顺便说一下,它们都可以达到320 kbps,而且还可以像FLAC(384/24bit)和 ALAC 一样播放(96/24bit)。以及WAV/AIFF(384/32 bit)文件的高分辨率音频。DSD支持高达11.2 MHz。

Yamaha似乎改进了RX-V6A 的规格,因为之前的型号只能将FLAC和 W.AV文件保持到 192kHz。在这次测试中,和往常一样,我选择了几首喜欢的FLAC格式歌曲,通过前置USB 端口播放,以获得最佳音质。

但是,再一次,所有Yamaha功放在音乐方面的表现都不错,而 Yamaha RX-V6A AV功放证明了为什么如此多的家庭影院发烧友青睐Yamaha。眼前的音乐舞台充满了活力,因为雅马哈把前置声道推到了极限。

声音成像非常出色,具有良好的准确度和令人印象深刻的分辨率,可以很容易地确定声源和空间。我没有感觉到功放缺少任何东西,因为大多数频率都被很好地准确地再现了。

中音输出的声音,感觉平衡、温暖、可控,而高音则充满情感,不会变得过于激动。低音有很好的音量、能量和足够的力量。即使在要求更高的低音环节,也不会感到压倒或夸张。

我们尝试了不同的内容,从摇滚、流行、爵士和古典音乐到重金属、电子和古典音乐。尽管某些类型的功放感觉比其他类型的功放更舒适,但共识是它更适合大多数音乐。如果您想要一个用于电影娱乐的功放并想兼顾音乐,那么这是一个不错的选择。

RX-V6A 向我们证明了为什么雅马哈的产品如此出色。这可能是一款中档产品,但它仍然在其产品中体现了雅马哈的价值和品质。这款功放也延续了这一趋势。

结论

Yamaha RX-V6A AV功放是Yamaha推出的又一明星产品。Yamaha RX-V6A 是一款出色的中档 AV功放,配备了中档家庭影院系统所需的一切。

总体来说,这款RX-V6A虽然属于入门价位,但无论是虚拟天空通道、高输出功率、音质增强等功能,都具备以往高端设备才有的性能。

再加上其流媒体、数字、模拟和黑胶信号源,足以使其成为家中的娱乐和视听中心。对于预算有限或第一次尝试环绕效果的用户来说非常值得。

相关问答

其工作原理相当于如图所示的 电路 图,其中R1=12Ω,R2=6Ω...

[最佳回答](1)R1两端的电压:U1=I1R1=2A×12Ω=24V,(2)因R1、R2并联,所以电源的电压:U=U1=24V;通过R2的电流为:I2=UR2=24V6Ω=4A;(3)电路的总电流为:I=I1+...

输入点数有16个、输出点数有8个、请问下该选择什么型号的PLC。是西门子的?

16ES7211-0AA23-0XB0CPU221DC/DC/DC,6输入/4输出26ES7211-0BA23-0XB0CPU221继电器输出,6输入/4输出36ES7212-...

160 v6A 的开关最大功率是多少?

160v6A的开关最大功率是960W。这个结果是通过乘以电压和电流的值得出的,即160V*6A=960W。这个开关最大功率指的是开关能够承受的最大功率,也就是说当电压...

电池60 v6a h是什么意思?

电池60v6ah是表示电池的使用电压为60v电压,是大输出电流为6a。由功率等于电压乘以电流得到60v6ah的最大输出功率为360w,一般电池都可以连续大功率输出2小时,即...

五a和六a的充电器有什么区别?

它们的区别是最大充电电流不一样大。5a的充电器,是指该充电器的最大充电电流为5安培。6a的充电器,是指该充电器的最大充电电流为6安培。如果这两款充电器的...

4 v6a h和4v4ah有什么区别?

答:4v6ahb4v4ah多2ah列算式为:4v6ahg_4v4ah=2ah,其实这是一道非常简单的小学数学题,我们在做这种题目的时候,一定要找出题目给我们的条件和让我们...

5 v6a 和10v2a有什么区别?

5V6A和10V2A是两种不同的电源规格。其中5V6A表示电压为5伏特,电流为6安培;而10V2A表示电压为10伏特,电流为2安培。区别在于电压和电流的数值不同,这决定了它...

21v 6a h用多大充电器?

如果4个电瓶串联充电电压:12Vx4x1.2=57.6V充电电流:22.6AHx0.1=2.26A2、如果4个电瓶并联充电电压:12Vx1.2=14.4V充电电流:22.6AHx0....

h40kg80kg36V/12Ah≥36 V6 ~8h180W36V/ 6A 注:①_作业帮

[最佳回答]A=2A充电电压为U=36×1.15=41.4V按充电6h计算,一次充电消耗的电能为ε=UIt=41.4×2×6×0.001≈0.5kWh(2)正确.电源的容量为12Ah,电....

奥迪 v6 凸轮轴位置促动器是哪个 在什么位置 - 懂得

你说了这个东西应该是凸轮轴的调节电磁阀,这个电磁阀是在发动机的气门室盖后边装的,上面有一个两针的插头,外观是一个金属的东西06年奥迪A6L发动机...

标签:

相关阅读