旧电子镇流器应用 用实际数据来分析说明,废旧镇流器的回收与拆解的利润的大小

小编头像

小编

管理员

发布于:2026年04月14日

668 阅读 · 0 评论

用实际数据来分析说明,废旧镇流器的回收与拆解的利润的大小

镇流器一般是用于日光灯上启动与限制电流的控制器件,镇流器的应用有利于保护灯具的使用寿命。现在市场上的废旧镇流器(以铜芯的为例)的回收价格是每吨6000元,拆解以后其出铜率为10%左右,即每斤的出铜量为1两多一点。每个普通小型镇流器一般为1.5斤左右,回收价格为4.5元,出铜量为一两五钱,废铜能卖到4.5元,废铁1.4斤能卖2元,总共为6.5元,每个能赚到利润为2元。而每吨镇流器为1400个左右,每吨的毛收入2800元,除去人工费用与其它费用600元(一个人用电动工具两天时间就可以拆解完),每吨的收入为2300元。由此可见一吨拆解以后的废旧镇流器能卖到8300元之间,其利润在28%左右,即每吨最多能赚到2300元到2500元的利润空间,对于我个人来说有这样的利润还算可以,回收与拆解的生意还可以做。

以上为普通的镇流器回收、拆解与出售的数据,从中可以让大家明白回收镇流器的利润在20%到30%之间,虽然比不上回收大型电机的利润,但在当下买卖难做钱难赚的背景下,如果有大量货源的情况,还是可以做的生意。镇流器作为灯具中的重要元件,也是易损元件,经常会被替换下来的,回收的货源不算难找,只要回收者不怕麻烦就可以做这一生意。其实每一种生意都是由个人所经营所造成的,事在人为,不同的事,不同的人,其经营结果就会不同,同一件事不同的人,其最终的经营结果也会不同的。

从上述的镇流器拆解利润看,每吨在2千多元就算利润比较少的行业,有些回收者不愿从事这一买卖,原因是回收与拆解有些麻烦,利润也不算太大,因此就会出现市场上有货无人收的怪现象。这是由于其中的利润大小导致其受欢迎程度不同,能赚大利的生意抢着做,竞争得也十分激烈,利润不大的生意热度不够,竞争相对不激烈。像镇流器回收这一生意有些回收者基本上是不收的,认为其根本赚不到钱,不值得在这上面消费时间。这就是一些人的个人看法,个人的理解与见识不同而已,其中折射出不同的人由于个人的想法不同,而产生了不同人的做法。其实做废品回收行业要坚持大小利润都得赚的原则,不能因小而失大,这一行业需要精细化经营,不能有看大不看小的思想,否则你的生意不会做大,也不会赚到更多的利润。

以上为我个人对于废旧金属回收生意的一些看法,对于回收镇流器利润大小的一点理解,仅为个人的一些经验与感受,有些数据不实或认识不足之处希望能够得到大家谅解。大家是怎样看待镇流器回收的利润大小的问题?欢迎大家评论与留言,希望大家都能发表个人看法,共同分享一下各自的观点。

教你制作废旧日光灯管复明器

废旧日光灯管属于特殊危险废物,处置不当,会对人体健康和环境造成危害。我国每年产生大量的废旧日光灯管,但由于种种原因,绝大多数不能得到无害化处置,必须引起有关方面的重视。作为科技制作“小达人”,如何为宣传和减少废旧日光灯管的产生做出一份努力呢?试做下面介绍的废旧日光灯管复明器,便是一项有意义的身体力行实践活动!

本装置能使灯丝已断的废旧日光灯管获得新生,重放光明,具有较好的节能利废作用。

弄懂工作原理

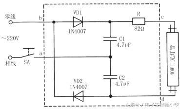
废旧日光灯管复明器的电路如图16-1虚线框内所示,虚线框外则为便于说明原理而绘出的日光灯供电电路。

图16-1 废旧日光灯管复明器电路图

晶体二极管VD1、VD2和电容器C1、C2组成了典型的二倍压全波整流电路。接通电源开关SA,220V交流市电经晶体二极管VD1、VD2整流后,在电容器C1、C2充放电作用下,使日光灯管两端获得高达620V的直流电压,将灯管迅速激活发光。灯管点亮后,受限流电阻器R和电容器C1、C2容抗的限制,灯管两端电压会自动降至110V以内,从而使灯管安全、稳定地工作。

很显然,上述的日光灯管点亮过程,省去了常规下的灯丝预热环节,所以对于灯丝已断开、但尚未完全脱落的废旧日光灯管,具有“起死回生”的作用。

准备好元器件

本制作共用了5个元器件(不包括所用废旧日光灯管及控制开关SA),采购清单见表16。

表16 元器件清单

晶体二极管VD1、VD2在灯管启辉点亮时,都要承受约620V的直流电压,因此要求它们的反向耐压要大于此值,选用1N4007型(最大整流电流1A、最高反向工作电压1000V)硅整流二极管,可完全满足要求。

电容器C1、C2在灯管启辉的瞬间,都要承受约311V的电压,选择CBB13-400V型聚丙烯电容器可满足要求。R选用普通线绕电阻器或水泥电阻器,要求额定功率≥5W。R阻值选得太大,损耗增大;阻值选得太小,对灯管正常工作不利。

电容器C1、C2的标称容量和电阻器R的标称阻值大小,应根据灯管瓦数的不同进行适当调整:当日光灯管标称功率为40W时,电容器C1、C2的标称容量均取4.7μF,电阻器R的标称阻值取82Ω;当日光灯管标称功率为30W时,电容器C1、C2的标称容量均取3.3μF,电阻器R的标称阻值取100Ω;当日光灯管标称功率为20W时,电容器C1、C2的标称容量均取2.2μF,电阻器R的标称阻值取120Ω;当日光灯管标称功率为6~8W时,电容器C1、C2的标称容量均取1μF,电阻器R的标称阻值取150Ω。

制作与使用

图16-2所示为该废旧日光灯管复明器的印制电路板焊接图。印制电路板最好采用环氧覆铜板制作,实际尺寸约为70mm×35mm。印制电路板也可直接采用相同大小的环氧基质单孔“洞洞板”,并充分利用元器件引脚飞线连接,以省去加工专用印制电路板的麻烦。

图16-2 废旧日光灯管复明器印制电路板图

焊接好的电路板装入一体积合适的阻燃性绝缘小盒(如日光灯电子镇流器专用塑壳)内。将复明器按照图16-1所示,与一只交流电控制开关SA、一根废旧日光灯管和220V交流电源接通,就构成废旧日光灯管照明系统,其灯管架(座)用现成品即可。实际安装时注意,应事先断开220V交流电的总闸开关,待安装结束后再合上总闸开关,切不可带电操作,以免发生触电事故!

该复明器适合于灯管不严重老化发黑和灯丝虽断、但不完全脱落的废旧日光灯管。使用时,如果灯管不易启辉,可以用手摸一下灯管的玻璃外壳,便能帮助灯管点亮;另外,还可通过调换电源相线(火线)与零线(地线)的接线位置一试。如果灯管点亮后闪烁严重,可适当增大电阻器R的阻值;如果增大R阻值无效,说明灯管老化严重,已不适合继续使用。由于灯管一直处在直流电状态下工作,所以会形成一端稍亮一端稍暗的现象,这不属于故障。

相关问答

双头 电子 整流器如何替换led灯-ZOL问答

原来的镇流器没用啦更换时要注意兼容性问题:购买与现有整流器电压相符的LED模块,并确认其额定电流不要超过原设备的最大值。断电操作后,拆掉旧灯泡和接线端子...

新买的 镇流器 三根线红白灰 的是绿白灰线怎么接?

首先需要确定旧的灯具是否支持使用新的镇流器。如果支持,就需要将旧的绿白灰线分别与新的红白灰线连接。具体来说,红线连接到旧的绿线,白线连接到旧的白线,灰...

高分询问,废旧电热毯有什么用

把洗脸、洗菜、洗衣服用过的水和夏天洗澡的洗澡水储存起来(盛放在浴缸或大盆或桶内),用于冲厕所拖地板擦门窗等;夏天,当室外气温将高于室内时,把门...

哪个清楚厨房灯的 镇流器 怎么换_住范儿家装官网

厨房灯的镇流器置换方法:将旧的电子镇流器拆下(拧下紧固螺钉,在灯后面拆下两根电线),将新电子镇流器先固定到原来位置,将两根电线穿到灯后面接好(不...

环形灯管 电子镇流器 怎么更换?-设计本有问必答

只要环形灯管灯丝不断,灯管两端不发黑,灯管就基本没有问题,根据你的描述,应该是电子镇流器坏了,通常电子镇流器内部的对管13003是比较易损的,更换需...

节能灯 镇流器 坏了谁知道该怎么办?_住范儿家装官网

原因:(1)使用工频点灯,存在频闪效应;(2)自然功率因数低(也有cosφ高的产品,如谐振式电感镇流器);(3)消耗金属材料多,比较重,金属老化。选择HID...

吸顶灯的 镇流器 怎么换?

关闭电源后将吸顶灯罩壳卸下,将镇流器的规格数据照片拍在手机里去买新的,然后将接线剪了拆下旧的再换上新的,将接头处理好就成了。实际上可乘镇流器坏了,把旧...

高额定功率的 镇流器 是否使用低额定功率的灯管昨天台灯不亮了...

[最佳回答]电子镇流器只要相差不大是可以的.电感的不行.

电子 荧光 镇流器 坏了怎样修?

首先,检查问题所在。当荧光灯不亮的时候,不要更换所有的东西,包括荧光灯,启动器和镇流器。首先你需要检查到底是不是荧光灯灯管的问题,最简单的方法就是把荧光...

麻烦在座的看官十万火急!武进哪有整流器回收,整流器回收服...

[回答]挂机低的话300左右那要看多大的,1匹跟5匹有很大的区别的哦,第二要看品牌,第三要看新旧。上海卓芸废旧物资回收有限自成立以来,一直秉承“诚信、专业...

标签:

相关阅读