电工电子应用原理 27个电工必备的电气原理图,手里有图,心里不慌,建议收藏备用

小编头像

小编

管理员

发布于:2025年05月06日

162 阅读 · 0 评论

27个电工必备的电气原理图,手里有图,心里不慌,建议收藏备用

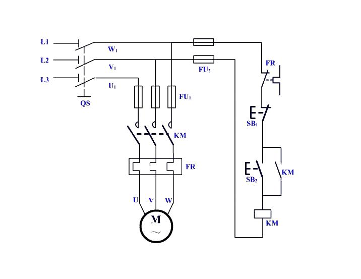
朋友们大家好,我是大俵哥,今天分享一些电工作业常见的电气原理图。学习电气控制首先就要学会识图,能看懂电气原理图,自己就可以照图练习实物接线,这样才算初入门径。为什么很多老电工非常厉害,不看图就会实物接线,线路出现的故障,分分钟就能找出原因,这都是一个积累的过程。掌握的电路多了,维修的电路多了,经验也就有了,所以掌握一定数量的电路非常重要。

电路图非常重要

我整理了27个常见的电气原理图,从简单到复杂,从基础到深化,一步步带大家从入门到精通。

一,基础电路,包含:点动控制、自锁控制、互锁控制、顺序启动、手动星三角降压启动、自动往返控制电路。其中自锁和互锁最为常见,自锁电路又叫启保停控制电路,用于控制电动机的启动和停止,互锁电路用于控制电动机的正反转。

电动机点动控制

电动机自锁控制

点动加长动控制

电气互锁控制电路

双互锁控制电路

顺序启动控制电路

手动星三角控制电路

自动往返控制电路

二,深化电路,包含常见的一些降压启动控制电路、顺序启动控制、能耗制动控制电路等。

C620车床电气控制电路

Z535钻床电气控制电路

欢迎留言评论

8大电路元器件的基本作用和工作原理,学电工从认识元器件开始!

最近很多的电工师傅都留言,说怎么样快速入门学习电工技术?从哪里下手比较好,其实老电工师傅都知道,不管是电路原理还是实物接线,要想看懂电路图或者分析电路原理,首先要弄懂电路元器件,因为电路元器件是构成电路的重要组成部分,弄懂了电路元器件,知道了元器件的动作原理和过程分析,那么电路图自然就看明白了,控制原理也是一通百通的道理,今天我们就重点来看一下电工入门常用的电气元器件,希望对电工初学者有帮助。

相关问答

电工 元件认识和 原理 ?

1电工元件是指在电路中起特定作用的器件,如电阻、电容、电感等。了解电工元件的原理和功能对于电路的设计和维护非常重要。2电阻的作用是限制电流,通过材料...

电工 布线 原理 ?

原理主要是根据电路元件的连接关系和信号传输需求,将元件之间的导线或线路连线进行合理的布置和连接,以确保电路的正常工作和优化电路性能。在布线时,要遵循...

电工 元器件 原理 讲解?

电工元器件是指电路中常用的各种部件,包括电容器、电阻器、电感器、二极管和晶体管等。下面简单介绍一下这些电工元器件的作用原理:1.电容器:电容器是由两个...

电工 基础主要讲哪些电路 原理 ?

1,电机的三速控制。2,三相电动机正反转控制电路。3,单相电动机顺逆控制电路(两个电容)。4,单相电机正反转(一个电容)。5,电机反接制动控制电路。6,...1,...

电磁式、磁电式、电动式、感应式 电工 仪表的工作 原理 有什么不...

[最佳回答]电磁式:导磁材料外面绕线圈,利用同性相排,导性相吸原理制成

电工 校线 原理 ?

用万用表做电缆校线:首先会用万能表,万用表调到电阻档位选接地线为公用线,如高压电缆先分a,b,c三相,如接地线与A相相通,万能表一头与接地线相通,另一头一相...

电工 接电灯 原理 ?

电工接电灯的原理主要涉及到电路的基本知识和操作技术。下面我会尽量详细地解释这个过程。首先,我们需要了解电路的基本组成。一个完整的电路包括电源、负载、...

材料成型及控制工程专业学什么?什么是材料成型及控制工程 申请方

[回答]主干学科:机械工程、材料科学与工程。主要课程:工程力学、机械原理及机械零件、电工与电子技术、微型计算机原理及应用、热加工工艺基础、热加工工...

电工 原理 ?

电工鞋的原理主要是基于电学原理,通过使用防静电材料和绝缘材料,使电工在工作时不会受到电击。绝缘鞋则是通过对鞋底进行绝缘处理,能够阻断经由脚穿过身体的...

有没有很好的学习 电工 电路的软件?

电工教学用什么软件,这个问题我来回答你,其实有很多软件都可以用来教学电工或者学习电工。第一个软件这种手机上面可以用来查资料和参数,以及有伺服电机,步...

标签:

相关阅读