autocad电子方面应用 CAD能做什么,应用于什么行业?

小编头像

小编

管理员

发布于:2026年04月14日

104 阅读 · 0 评论

CAD能做什么,应用于什么行业?

CAD已经广泛应用工程设计行业、制造业,可以说所有需要精确表达的设计都会用到CAD。

1.制造业中的应用

CAD技术已在制造业中广泛应用,其中以机床、汽车、飞机、船舶、航天器等制造业应用最为广泛、深入。众所周知,一个产品的设计过程要经过概念设计、详细设计、结构分析和优化、仿真模拟等几个主要阶段。同时,现代设计技术将并行工程的概念引入到整个设计过程中,在设计阶段就对产品整个生命周期进行综合考虑。当前先进的CAD应用系统已经将设计、绘图、分析、仿真、加工等一系列功能集成于一个系统内。

2.工程设计中的应用

CAD技术在工程领域中的应用有以下几个方面:

(1)建筑设计,包括方案设计、三维造型、建筑渲染图设计、平面布景、建筑构造设计、小区规划、日照分析、室内装潢等各类CAD应用软件。

(2)结构设计,包括结构平面设计、框/排架结构计算和分析、高层结构分析、地基及基础设计、钢结构设计与加工等。

(3)设备设计,包括水、电、暖各种设备及管道设计。

(4)城市规划、城市交通设计,如城市道路、高架、轻轨、地铁等市政工程设计。

(5)市政管线设计,如自来水、污水排放、煤气、电力、暖气、通信(包括电话、有线电视、数据通信等)各类市政管道线路设计。

(6)交通工程设计,如公路、桥梁、铁路、航空、机场、港口、码头等。

(7)水利工程设计,如大坝、水渠、河海工程等。

(8)其他工程设计和管理,如房地产开发及物业管理、工程概预算、施工过程控制与管理、旅游景点设计与布置、智能大厦设计等。

3.电气和电子电路方面的应用

CAD技术最早曾用于电路原理图和布线图的设计工作。目前,CAD技术已扩展到印刷电路板的设计(布线及元器件布局),并在集成电路、大规模集成电路和超大规模集成电路的设计制造中大显身手,并由此大大推动了微电子技术和计算及技术的发展。

4.仿真模拟和动画制作

应用CAD技术可以真实地模拟机械零件的加工处理过程、飞机起降、船舶进出港口、物体受力破坏分析、飞行训练环境、作战方针系统、事故现场重现等现象。在文化娱乐界已大量利用计算机造型仿真出逼真的现实世界中没有的原始动物、外星人以及各种场景等,并将动画和实际背景以及演员的表演天衣无缝地合在一起,在电影制作技术上大放异彩,拍制出一个个激动人心的巨片。

5.其他应用

CAD技术除了在上述领域中的应用外,在轻工、纺织、家电、服装、制鞋、医疗和医药乃至体育方面都会用到CAD技术。

谁说CAD绘制不出精致的电气图?CAD使用技巧与您分享!

CAD绘图技巧

一、基础很重要。

实践证明,“手工图板”绘图能力是计算机绘图能力的基础,学习 CAD,需要一定的画法几 何的知识和能力,需要一定的识图能力,尤其是几何作图能力,一般来说,手工绘图水平高 的人,学起来较容易些,效果较好!

二、循序渐进

整个学习过程应采用循序渐进的方式,先了解计算机绘图的基本知识,如相对直角坐标和相 对极坐标等,使自己能由浅入深,由简到繁地掌握 CAD 的使用技术。

三、学以致用

在学习 CAD 命令时始终要与实际应用相结合,不要把主要精力花费在各个命令孤立地学习 上;把学以致用的原则贯穿整个学习过程,使自己对绘图命令有深刻和形象的理解,有利于 培养自己应用 CAD 独立完成绘图的能力。

四、熟能生巧 要强迫自己做几个综合实例,详细地进行图形的绘制,使自己可以从全局的角度掌握整 个绘图过程。

需要掌握的技巧:

1、常见问题要弄懂

(1)同样画一张图,有的人画的大小适中,有的人画的图形就很小,甚至看不见,这 是因为绘图区域界限的设定操作没有做,或虽用 LIMITS 命令进行了设定,但忘记了用 ZOOM 命令中的 ALL 选项对绘图区重新进行规整。绘图区域的设定是根据实际的绘图需要来进行 的。

注:现在有没有 LIMITS 并不重要了,通常按 1:1 的尺寸绘图就好了,但是需要掌握缩放 和平移的基本技巧而已。关键是要了解绘图比例和出图比例的概念,在绘图的时候就要考虑 到最终出图的比例,通过比例决定文字高度、标注样式的设置。

(2)有人用虚线画线,但发现画出的线看上去像是实线,这是“线型比例”不合适引 起的,也就是说“线型比例”太大,也可能是太小。结局问题的办法是将线型管理器对话框 打开,修改其“全局比例因子”至合适的数值即可。

注:最关键还是要对你的尺寸有个基本概念,如果尺寸很小,就将线型比例调整小一些,如 果图形尺寸特别大,就将线型比例调整大一些,线型的一个单元的长度一般都在 10 个单位 以内。

(3)在进行尺寸标注以后,有时发现不能看到所标注的尺寸文本,这是因为尺寸标注 的整体比例因子设置的太小,将尺寸标注方式对话框打开,修改其数值即可。

注:看到标注文字是很重要,更重要的是打印出来后标注线和文字大小要合适,比如 1:1 绘图,1:100 打印,要求打印文字高度为 3mm,那么标注文字的高度就应该设置为 300,标 注线的尺寸也要相应调大 100 倍。

以上三个问题仅仅是我上机过程中遇到的最典型的三个问题和困难。实际问题不胜枚 举,作为初学者彻底弄懂这些问题,很有必要,对提高绘图质量和效率很有帮助。

2、有比较,才有鉴别 容易混淆的命令,要注意使自己弄清它们之间的区别。如 ZOOM 和 SCAIE,PAN 和 MOVE, DIVIDE 和 MEASURE 等等。

注:视图缩放和平移跟图形的缩放和移动初学者确实容易搞混。视图的变化就象相机镜头的 拉近拉远、平移,图形本身尺寸并不变,而图形的移动和平移是对图形的尺寸和位置进行了 修改,自己对比一下很快就明白了。

3、层次要分明 图层就像是透明的覆盖图,运用它可以很好地组织不同类型的图形信息。学习过程中, 有的人图省事,直接从对象特性工具栏的下拉列表框中选取颜色,线型和线宽等实体信息, 这很不好,使得处理图形中的信息不那么容易,要特别注意纠正自己的这一不好习惯。严格 做到层次分明,规范作图。我的体会是:养成良好习惯,受益匪浅。

4、粗线要清楚 使用线宽,可是用粗线和细线清楚地展现出部件的截面,标高的深度,尺寸线以及不同 的对象厚度。作为初学者,一定要通过图层指定线宽,显示线宽。提高自己的图纸质量和表 达水平。

注:不同行业、同一行业的不同专业对图层、颜色、线宽的要求也不一样。设计单位对 图纸都是有明确的要求的,在学习的时候就养成良好的习惯,对将来工作肯定有好处。

5、内外有别 利用 CAD 的“块”以及属性功能,可以大大提高绘图效率。 “块”有内部块与外部图块 之分。内部图块是在一个文件内定义的图块,可以在该文件内部自由作用,内部图块一旦被 定义,它就和文件同时被存储和打开。外部图块将“块”以文件的形式写入磁盘,其他图形 文件也可以使用它,要注意这时候外部图块和内部图块的一个重要区别。 注:内部块用 B(Block)命令定义,外部块用 W(WBLOCK)来定义,无论定义内部块和 外部块,指定合适的插入点都非常重要,否则插入图块的时候会很麻烦。

6、滴水不漏

图案填充要特别注意的地方是构成阴影区域边界的实体必须在它们的端点处相交,也就 是说要封闭,要做到“滴水不漏” ;否则会产生错误的填充。初学者一定要学会如何查找“漏 洞”,修复错误。

7、写文字要规范 文字是工程图中不可缺少的一部分,比如:尺寸标注文字、图纸说明,注释、标题等, 文字和图形一起表达完整的设计思想。尽管 CAD 提供了很强的文字处理功能,但符合工程 制图规范的文字,并没有直接提供。因此要学会设置“长仿宋体”这一规范文字。具体操作 的简要步骤是,打开“文字样式”对话框,新建一个样式,可取名为“长仿宋体”,对话框 中字体名改为选用“仿宋体 GB-2312”,宽度比例也要改为 0.67。尺寸标注的文字可改为 “italic.shx”代替“仿宋体 GB-2312”。

注:如果图纸比较小,可以用操作系统的字体,例如宋体等,如果图纸大,文字多,建议使 用 CAD自带的单线*.SHX 字体,这种字体比操作系统字体占用的系统资源要少得多。使用 SHX 字体时要正常显示中文,需要使用大字体,大字体就是针对中、日、韩等双字节文字专门定 义的字体,详细讲解请参看博客中的相关文章。 另一种规范文字更简单的方法是,直接使用 CAD 样板文件提供的“工程字”样式;注 意,使用前要用“使用模板”方式启动 CAD,选择国标标题(如:GBA3)进入绘图状态。 再将“工程字“样式置为当前工作样式。这种方法,大多数教科书中没有提及,初学者要注 意补充一下这一训练。

8、特殊字符,特殊处理 实际绘图中,常需要输入一些特殊字符,如角度标志,直径符号等。这些中利用 CAD 提供的控制码来输入,较易掌握。另一些特殊字符,如“£”、“a” 、“g”等等希腊字母的输入,掌握起来就不那么容易了。它要利用到 MTEXT 命令的“其他…”选项,拷贝特殊字体的希腊字母,再粘贴到书写区等操作。尤其要注意字体的转换等编辑。还有一些特殊的文本,如“φ”在机械制图中应用的较多,叫做带上、下偏差的尺寸公差标注,也可用到 MTEXT 命令的“堆叠”功能来实现。这样做远比在尺寸标注对话框中调节响应功能数值方便得多。 我个人的体会是:特别方便!

9、不依规矩,不成方圆 工程标注是零件制造、工程施工和零部件装配时的重要依据。在任何时候一幅工程图中, 工程标注是不可少的重要部分。在某些情况下,工程标注甚至比图形更重要。许多初学者不 怕绘图,怕标注;原因之一是尺寸标注方式对话框里选项太多,自己又理解不清,更不知道 这些选项之间如何配合,所以往往很难达到理想的标注效果。为此,除应弄清对话框里各选 取项的含义及常用值外,还应督促自己学习时应遵守如下五个规程: (1)为尺寸标注创建一个独立的层,使之与图形的其他信息分开,便于进行各种操作。 (2)为尺寸文本建立专门的文字样式(如前述“长仿宋体“)和大小。 (3)将尺寸单位设置为所希望的计量单位,并将精度取到所希望的最小单位。 (4)利用尺寸方式对话框,将整体比例因子设置为绘图形时的比例因子。

(5)充分利用目标捕捉方式,以便快捷拾取特征点。 (6)两个空间、两个作用、两个练习。在 CAD 环境中有两种空间:模型空间和图纸空间,其作用是不同。一般来说,模型空间是一个三维空间,主要用来设计零件和图形的几何形状,设计者一般在模型空间完成其主要的设计构思;而图纸空间是用来将几何模型表达到工程图之上用的,专门用来进行出图的;图纸空间有时又称为“布局“,是一种图纸空间环境,它模拟图纸页面,提供直观的打印设置。在图纸空间中可以创建并放置视口对象,还可以添加标题栏或其他几何图形。可以在图形中创建多个布局以显示不同视图,每个布局可以 包含不同的打印比例和图纸尺寸。布局显示的图形与图纸页面上打印出来的图形完全一样。

10.九九归一 计算机绘图的目标就是要使设计的结果在生产实践中发挥作用。目前的设计结果基本上以纸基图纸的方式进入到生产中,同时,在设计单位,纸基的图纸也是图纸档案管理的主要对象。虽然计算机辅助设计的发展方向是达到设计、生产的无纸化,但除了极少数大型的企业外,绝大多数普通的设计生产单位还是以纸基图作为组织设计生产的依据。因此,怎样将 CAD设计生产的电子格式的图纸转换成描绘在规定幅面上的纸基格式的图纸,是一个与生产 实际结合得非常紧密的问题,在某种意义来说,这一步与图形的修改、编辑等绘图过程同等 重要。

那么电气图纸应该如何绘制呢?

用AutoCAD(以下简称ACAD)绘制电气图大家都会,但要想把图绘制的漂亮,你需要看看下面的方法。

(1)关于ACAD的底色、线条、栅格和捕捉功能

底色采用白色。

线条采用多段线,线宽设为0.25。知道为什么?ISO在制图标准中规定,所有的图符都必须是2.5的倍数。这里的倍数可以是整数,也可以是小数,例如0.5、0.2、0.1等等。所以我绘图时将多段线的线宽设为0.25。

栅格设置为1.25。因为所有的图块都必须是2.5的倍数,因此将栅格定义为2.5的一半。

捕捉功能关闭。

(2)关于图块

这是最关键的一招。

我们先来看看继电器常开接点的图块,如下:

注意看,它上部的垂直线高度是2.5,中间斜线部分的高度是5,下部的垂直线的高度是2.5,图块的宽度也是2.5。线宽当然就是0.25。

图块只能靠自己去建立。图绘制的越多,图块库也就越多。

图块多了,名称繁复。可以修改ACAD的菜单,增加专门用于按名称调取和插入图块的自创菜单,这样就方便多了。

(3)用图块绘图

下图是组合图块,是低压断路器的组合图:

注意哦,在绘制组合图时,务必时时刻刻注意到所有的间距都是2.5的倍数。这是关键!否则点和线就不能对齐,出现错位。

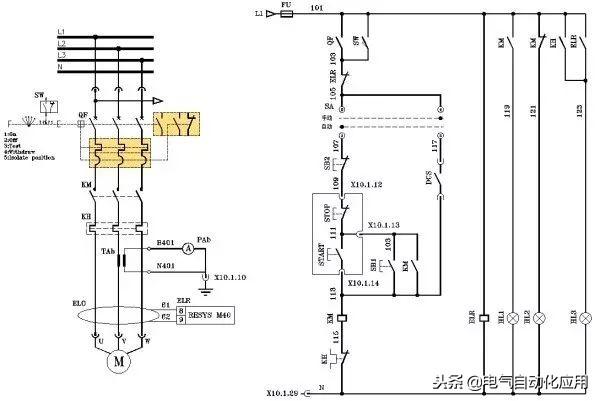
我用图块和组合图块构成一张电动机直接起动的控制原理图,如下:

这张图没有什么特色,我们把它适当地加上框,然后突出一下,如下:

感觉不一样了把?我们可以用它来做某种强调说明。

注意:颜色以淡淡的青色和绿色为主,显得十分高雅。这是我从施耐德学来的。施耐德公司做的文档,给人的视觉效果特别好,我发现他们就喜欢用淡色的颜色来填空说明。

我们再看下图:

这是居家配电系统图。我们也把它框起来,看看效果:

有点温馨的效果。不过,颜色似乎深了一点,淡些会更好。

总之,绘图一定要美观,这样才能取得吸睛的效果。

这是我图库中预先保存的断路器时间电流特性曲线坐标图的图块,一旦需要,立即调出,然后用属性块自动绘上保护参数曲线。下图中已经绘上了断路器LSI保护参数特性曲线:

如果让属性块直接写上文字,则断路器脱扣器的时间电流特性曲线就能立马得到。事实上,我绘制此图用的时间是1分半钟。

最后,给大家看看智能型开关柜的图:

用ACAD绘图,其实是一种技术。ACAD越熟悉,给自己提供的方便也越多。

相关问答

CAD中 电子 传递是肿么用的,有什么作用?网上发布还有发送?-ZO...

使用电子传递技术可以将需要进行Internet传输的文件集打包成一个整体。这些打包后的文件会自动包含所有相关的依赖文件,如外部参照和字体文件。这样就能降低出...

职高的 电子技术 应用 是什么呀? - 183****9235 的回答 - 懂得

主要课程:电路基础、电工基础、电子工艺、低频电子线路、高频电子线路、数字电子线路、微机原理及应用、单片机原理及应用、自动化控制技术、通信技...

CAD一般都用来做什么?

1.制造业中的应用CAD技术已在制造业中广泛应用,其中以机床、汽车、飞机、船舶、航天器等制造业应用最为广泛、深入。众所周知,一个产品的设计过程要经过概念...

CAD用于哪方面的多?

AutoCAD是Autodesk公司开发的的通用计算机辅助绘图和设计软件,被广泛应用于机械、建筑、电子、航天、造船、石油化工、土木工程、冶金、气象、纺织、轻工等领...

电子 CAD是什么?

电子CAD是电子专业的专业方向特色课程里的必修课,课程主要包含电子CAD软件的使用及绘图技巧、PCB的设计制造工艺等内容。主要培养学生使用电子CAD软件绘制电路...

电气cad, 电子 cad与auto cad有什么区别?

电气CAD和电子CAD是用于电气、电子领域的CAD软件,而AutoCAD是一款通用的CAD软件,主要用于绘制机械、建筑等领域的图纸。因此,它们之间存在一些区别。具体来说...

电子 CAD的含义?

随着电子器件和计算机的不断发展,电子电路的设计由传统的搭接实验电路的方式逐渐转变为利用设计软件,以人为主体,借助计算机来完成设计任务,这种设计模式称为...

CAD是做什么用的?

cad软件用于工程制图:建筑工程、装饰设计、环境艺术设计、水电工程、土木施工等等。cad软件用于工业制图:精密零件、模具、设备等。cad软件用于服装加工:主要...

cad对 电子 信息专业有用吗?

学电子信息工程的学生,需要学习protel等软件,这相当于电子行业的CAD。而对于学AUTOCAD并不是必须的,但是多学一门技术,以后说不定会用的到。学电子信息工程的...

CAD都能做些什么?

CAD用途非常广泛应用于土木建筑、装饰装潢、城市规划、园林设计、电子电路、机械设计、服装鞋帽、航空航天、轻工化工等诸多领域。如果想往室内设计方面发...

标签:

相关阅读