电子应用特性 浅谈电子商务的应用特性是什么?

小编头像

小编

管理员

发布于:2025年05月06日

107 阅读 · 0 评论

浅谈电子商务的应用特性是什么?

商务性

电子商务最基本的特性为商务性,即提供买,卖交易的服务,手段和机会。

就商务性而言,电子商务可以扩展市场,增加客户数量;通过将万维网信息连至数据库,企业能记录下每次访问,销售,购买形式和购货动态以及客户对产品的偏爱,这样的企业方就可以通过统计的这些数据来获知客户最想购买的产品是什么。

服务性

在电子商务环境中,客户不再受地域的限制,因而,服务质量在某种意义上成为商务活动的关键。

企业通过将客户服务过程移至万维网,使客户能以一种比过去简捷的方式完成过去他们较为费事才能获得的服务。电子商务提供的客户服务具有一个明显的特性:方便。这不仅对客户来说如此,对于企业而言,同样也能受益。

集成性

电子商务用到了大量新老技术,使用户能更加行之有效地利用他们已有的资源和技术,更加有效地完成他们的任务。

电子商务的集成性,还在于事务处理的整体性和统一性,它能规范事务处理的工作流程,将人工操作和电子信息处理集成为一个不可分割的整体。这样不仅能提高人力和物理的利用,也提高了系统运行的严密性。

可扩展性

要使电子商务正常运行,必须确保其可扩展性。

安全性

在电子商务中,安全性是必须考虑的核心问题,欺骗,窃听,病毒和非法入侵都在威胁着电子商务,因此要求网络能提供一种端到端的安全解决方案,包括加密机制,签名机制,分布式安全管理, 存取控制,防火墙,安全万维网服务器,防病毒保护等。

协调性

商务活动是一种协调过程,它需要雇员和客户生产方,供货方以及撒好狗奴为伙伴间的协调。电子商务是迅捷简便的,具有友好界面的用户信息反馈工具,决策者们能够通过它获得高价值的商业情报,辨别隐藏的商业关系和把握未来的趋势。因为,他们可以做出更有创造性,更具有战略性的决策。

晶闸管(可控硅)在电路中的应用特性

晶闸管又称可控硅,也是一种半导体器件,它的主要功能是可以实现可控整流和可控开 关,常用于小家电产品中的供电电路或是保护电路中。下图所示为常见晶闸管的实物外形。

晶闸管有很多种,通常可分为单结晶体管、单向晶闸管、双向晶闸管、可关断晶闸管、快速晶闸管。在家电产品中使用较多的为单向晶闸管和双向晶闸管。

晶闸管可以用作可控开关使用,其主要特点就是,它在一定的电压条件下,只要有一触发脉冲就可导通,触发脉冲消失,晶闸管仍然能维持导通状态,可以微小的功率控制较大的功率,因此常用于电机驱动控制电路中,以及用于电源中作为过载保护器件等。

1、晶闸管的功能

为晶闸管输入较小的功率或电流便可对较大的功率或电流进行控制,因此在电子电路中晶闸管常作为可控整流和可控开关器件使用。下图所示为典型报警电路。晶闸管在该电路中作为可控开关使用,当有物体被移动到光电检测器中, 发光二极管的光被物体遮挡,光敏晶体管无光照射则截止。VD1的正端电压上升,呈正向导通,三极管VI1基极得电导通。VT1导通的瞬间为晶闸管的触发端(G)提供触发电压,于是晶闸管导通,报警灯得电而发光。

2、晶闸管的基本特性

下面将分别对单向晶闸管和双向晶闸管的基本特性进行讲解。

①单向晶闸管的基本特性

单向晶闸管导通后只允许一个方向的电流流过,它相当于一个可控的整流二极管,当同时满足阳极(A)与阴极(K)之间加有正向电压,控制极(G)收到正向触发信号(高电平)才可导通。单向晶闸管导通后,即使触发信号消失,仍可维持导通状态。只有当触发信号消失,并且阳极与阴极之间的正向电压也消失或反向时, 晶闸管才可截止。下图所示为单向晶闸管的基本特性。

需要注意的是,在交流电路中220V电压经桥式整流电路整流后加到晶闸管的阳极(A)上,单向晶闸管工作在脉动直流电压的状态下,当电压为零时晶体管便不能维持导通状态,必须有持续的触发信号才能维持其导通状态,如下图所示。

単向晶闸管可以等效地看成一个PNP型三极管和一个NPN型三极管的交错结构。下图所示为单向晶闸管的等效电路。当给单向晶闸管阳极(A)加正向电压时,三极管VT1和VT2都承受正向电压,VT2发射极正偏, VT1集电极反偏。如果这时在控制极(G)加上较小的正向控制电压Ug(触发信号),则有控制电流Ig送入VT1的基极。经过放大,VT1的集电极便有电流流进。此电流送入VT2基极,经VT2放大,VT2的集电极便有电流流过,而该电流又送入VT1的基极。如此反复,两个三极管很快便导通。晶闸管导通后,VT1的基极始终有比I g大得多的电流流过,因而即使触发信号消失,单向晶闸管仍能保持导通状态。

②双向晶闸管的基本特性

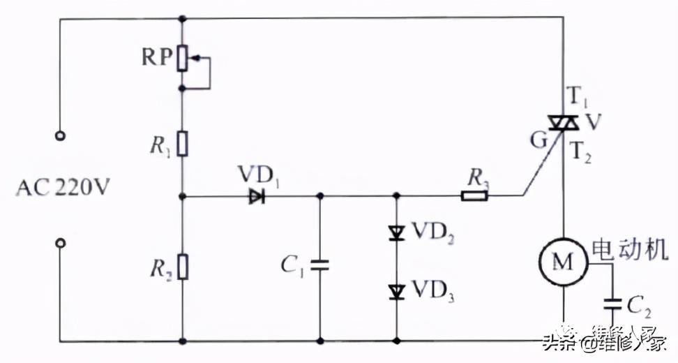
双向晶闸管可以等效为2个单向晶闸管反向并联,使其具有双向导通的特性,允许两个方向有电流流过,其典型应用如下图所示的电动机调速电路。

双向晶闸管串接在电动机供电电路中,V被触发即导通,可为电动机供电,调整触发信号的相位即可控制V的导通周期,从而实现调速。双向晶闸管的基本特性如下图所示。

双向晶闸管第一电极T 1与第二电极T 2间,无论所加电压极性是正向还是反向,只要控制极G和第一电极T 1间加有正、负极性不同的触发电压,就可触发晶闸管导通,并且失去触发电压,也能继续保持导通状态。当第一电极T 1、第二电极T2 电流减小至小于维持电流或T1、T2间的电压极性改变且没有触发电压时,双向晶闸管才会截止,此时只有重新送入触发电压方可导通。

相关问答

电子技术 应用 是学什么

[回答]电子技术应用主要学习:计算机操作及应用、电工原理、电子技术、逻辑设计、微机原理、高频电路、电子线路CAD、电子线路设计与工艺、PCB设计与制作、...

电子 商务的 特性 ?

电子商务特征:普遍性、协调性、安全性、可扩展性、集成性、高效性这6个特点。1、普遍性。它的意思就是说,电子商务,它是一个可以改变消费者,商家,银行,政...

【《 电子商务 原理》作业一、选择题(每题1分,共1...

[最佳回答]一、简答题1.电子商务系统的组成部分:连接传输管理;事务管理;网站管理;数据管理;安全管理2.电子商务的安全管理制度包括以下八个内容:(1)人...

电子商务 具有哪些优势和 应用特性 ..._电... _帮考网

优势:1.便捷快速:电子商务可以随时随地进行交易,避免了传统购物需要到店铺购买的限制,节省了时间和精力。2.降低成本:电子商务可以省去传统商业中...

消费 电子产品 的特点是什么呢? - 懂得

消费电子产品特点编辑消费电子产品涉及范围它属于特定的家用电器,内有电子元件,通常会应用于娱乐、通讯以及文书用途,例如电话、音像教材、电视机、...

电子商务 网站的特点以及优势和 应用特性 ... _帮考网

电子商务网站的特点:1.开放性:电子商务网站是一个开放的平台,任何人都可以进入和使用。2.交互性:电子商务网站是一个互动的平台,用户可以与商家进...

1. 电子 运动特点是什么?有哪些宏观规律?2... _作业帮

[最佳回答]1、电子运动的特点:高速,无轨迹.宏观规律(统计规律)是在原子轨道上出现的几率比较多,其他位置很少.2、电子在原子核外是分层排布的,称之为电子层.在...

B2B、B2C、C2C、O2O四种 电子 商务模式的特点是什么?

B2B电子商务模式的特点是以企业为主体,在企业之间进行。是电子商务应用最多和最受企业重视的形式,企业可以使用Internet或其他网络对每笔交易寻找最佳合作伙伴...

什么是 电子 计算机工作最重的特征?

电子计算机最重要的特征是:存储程序与自动控制计算机的操作系统是:操作系统(OperatingSystem,简称OS),是电子计算机系统中负责支撑应用程序运行环境以及...

信息技术与 电子 商务技术的 特性 ?

电子商务的特性可归结为以下几点:商务性、服务性、集成性、可扩展性、安全性、协调性。(1)商务性电子商务最基本的特性为商务性,即提供买、卖交易的...电子...

标签:

相关阅读