谐振器在电子系统中的应用 谐振器主要应用于哪些行业?

小编头像

小编

管理员

发布于:2025年05月05日

109 阅读 · 0 评论

谐振器主要应用于哪些行业?

谐振器的作为一种线性、无源被动元件,石英晶体谐振器在家电设备、汽车电子设备、安防设备、工业设备、医疗设备、航空设备等电子设备中得到了广泛的应用。小编为大家简单概括谐振器在众多的电子应用领域。

谐振器的概念

英文Resonators;谐振器就是指产生谐振频率的电子元件,常用的分为石英晶体谐振器和陶瓷谐振器。产生频率的作用,具有稳定,抗干扰性能良好的特点,广泛应用于各种电子产品中。石英晶体谐振器的频率精度要高于陶瓷谐振器,但成本也比陶瓷谐振器高。谐振器主要起频率控制的作用,所有电子产品涉及频率的发射和接收都需要谐振器。谐振器的类型按照外形可以分为直插式和贴片式两种。

谐振器就是指产生谐振频率的电子元件,常用的分为石英晶体谐振器和陶瓷谐振器。产生频率的作用,具有稳定,抗干扰性能良好的特点,广泛应用于各种电子产品中。石英晶体谐振器的频率精度要高于陶瓷谐振器,但成本也比陶瓷谐振器高。谐振器主要起频率控制的作用,所有电子产品涉及频率的发射和接收都需要谐振器。谐振器的类型按照外形可以分为直插和贴片式(无源贴片晶振)两种,而此次介绍的是无源贴片晶振。

谐振器用途有哪些?

作为一种线性、无源被动元件,石英晶体谐振器在家电设备、无线电子设备、载波通讯、汽车电子设备、安防设备、卫星通信、工业设备、医疗设备、航空设备等设备中得到了广泛的应用。

家电设备: 蓝牙耳机、蓝牙音响、手机、相机、游戏机、电脑、风扇、空调、电饭锅、电冰箱、电冰箱、洗衣机、吸油烟机、洗碗机等。

汽车电子设备: 车载导航仪、车载摄像头、行车记录仪、防撞系统、自动驾驶系统等。

安防设备: 视频安防监控系统、门禁消防系统、电子考场系统、智能门锁、保险柜等。

医疗设备: 电子体温计、血糖测试仪、电子血压仪、CT扫描、磁共振、B超、X光机、心电图机、脑电图机、肌电图机、等。

工业设备: 工业洗衣机、工业烘干机、工业吊钩机、工业卷尺包装机、自动焊接机、数码印刷机、工业切割机、起重机等。

航空设备: 航空手表、航空音响、航空导航仪、机载计算机、显示器、电台、惯导、雷达、通信、射频、电源模块等。

最基本的谐振器件是介质谐振器。要想了解介质谐振器的工作原理首先要了解金属波导与谐振腔。

金属波导与金属谐振腔广泛应用于分米波、厘米波以及较长的毫米波段。由于波导的横截面及谐振腔的尺寸与波长相近,例如矩形波导工作在 TE01 模时,其宽边尺寸大于二分之一波长,因此到了短毫米波段以及亚毫米波段,金属波导及谐振腔的尺寸太小,难于制造。在红外波段或可见光波段,即波长为微米量级时应用金属波导或谐振腔更不可能。为此,介质波导以及介质谐振器迅速的发展起来并获得广泛的应用。 虽然介质波导及介质谐振器的尺寸也处于波长可以相比的量级,但易于用微细加工手段制成微小尺寸。例如,截面尺寸为微米量级的光学纤维及光波导都属于介质波导。 金属波导中的场可以被看成是平面波在导体面之间往复反射造成的,介质波导中的场也可被看成是电磁波在介质界面之间全反射所造成的。因此,被疏媒质包围的密媒质就形成介质波导。 理想的金属波导内电磁场沿横向呈驻波,在波导边界以外近似于理想导体,不存在电磁场。在介质波导内电磁场沿横向呈驻波,但在介质波导外仍然存在电磁场,它沿横向呈渐减状态,称渐消场。 在充填均匀媒质的金属波导中,TE 模和 TM 模可以单独的满足波导壁的短路边界条件,因此永远可以将 TE 模与 TM 模分开,他们都可以在金属波导中传播。当金属波导中填充两种以上的媒质时,或部分充填介质时,电磁场除满足导体壁上的边界条件外,还必须满足媒质界面的连续条件。在均匀填充两种以上媒质的情况下只能有 TE 与 TM 的混合模式 HEM 模式。

不同频率晶振的应用场合+晶振电路

对于晶振,小编曾带来诸多文章。本文对于晶振的介绍,将基于两大方面:1.不同频率的晶振的应用场合,2.晶振电路介绍。如果你对本文即将探讨的两大晶振问题存在一定兴趣,不妨继续往下阅读哦。

晶振在电子电路中用的是非常多的,其名称叫晶体谐振器,在电路中能够充当的角色也各有不同,比如我们在一些单片机电路中、在电脑主板中也可以见到不止一种频率的晶振、在彩色电视机遥控器中也能见到它们的踪影。我们发现这些晶振其外形几乎差不多,但其外表所标识的频率是各不相同的。下面我们盘点一下不同频率的晶振所应用的场合。

一、在微处理器芯片中常用作时钟振荡电路

以我们最为熟悉的单片机电路中就常常用到6MHZ、11.0592MHZ、12MHZ等几种晶振电路,比如这种晶振与微处理器芯片一起使用的时候,芯片内部的振荡器与晶振的两个引脚对接便会产生与晶体所标识的晶振一致的时钟信号。这些频率的信号经过分频后可以协调芯片内部的各部分的工作。

我们会发现有的单片机芯片旁边会用到带有小数的晶振,比如用到了11.0592MHZ的晶振,这主要是为了方便单片机在进行通信时计算波特率而设置的,这样设置11.0592MHZ便于减小通讯误差,提高通讯的正确率。比如我们要用115200波特率进行通信,当我们用11.0592MH时便会得出96的整数,若用12MHZ晶振就得出了10.41这样的小数,会带来很大的误差,这就是为什么有的晶振频率不是整数的原因。

二、在电脑主板中所用的晶振

比如在电脑主板中有各种功能的电路,像实时时钟电路、音频电路、网络电路、系统时钟电路等,在这些电路中就需要各种晶振,比如实时时钟电路需要用到32.768KHZ的晶振、音频电路需要24.5MHZ的晶振、网络电路需要25MHZ的晶振、系统时钟电路需要14.318MHZ等,在这些晶振中有的是整数而有的又是小数。这样做的目的主要是根据电路的需要通过分频得到所需要的振荡周期,进一步得到精确的时间。我们可以把晶振比作像弹钢琴时所用的节拍器,只有在节拍器的协调下才能更好的弹出优美的曲子。那么晶振与芯片共同组合通过分频为整个系统提供给提供不同的时钟频率。

三、在其它电子产品中的应用

晶振在其它电子产品中应用都很多,特别是通信类电子产品,比如对讲机电路中、彩电电路板中、电子手表中,影碟机电路中等等,可以这样说只要有需要时钟电路其晶振是必不可少的晶体谐振元件。

四、晶振电路

晶振是为电路提供频率基准的元器件,通常分成有源晶振和无源晶振两个大类,无源晶振需要芯片内部有振荡器,并且晶振的信号电压根据起振电路而定,允许不同的电压,但无源晶振通常信号质量和精度较差,需要精确匹配外围电路(电感、电容、电阻等),如需更换晶振时要同时更换外围的电路。有源晶振不需要芯片的内部振荡器,可以提供高精度的频率基准,信号质量也较无源晶振要好。

因价格等因素,实际应用中多采用无源晶振设计的电路居多,除非电路设计时序极其敏感或芯片内部无振荡器的情况(如一些型号的DSP或精密仪器中)。

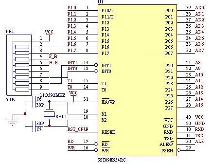
学习板采用无源晶振,以下是学习板晶振原理图。

XAL1就是一个两脚的无源晶振,11.0592MHZ振荡频率,匹配电容是两个30P的瓷片电容。

每种芯片的手册上都会提供外部晶振输入的标准电路,会表明芯片的最高可使用频率等参数,在设计电路时要掌握。与计算机用CPU不同,单片机现在所能接收的晶振频率相对较低,但对于一般控制电路来说足够了。

另外说明一点,可能有些初学者会对晶振的频率感到奇怪,12M、24M之类的晶振较好理解,选用如11.0592MHZ的晶振给人一种奇怪的感觉,这个问题解释起来比较麻烦,如果初学者在练习串口编程的时候就会对此有所理解,这种晶振主要是可以方便和精确的设计串口或其它异步通讯时的波特率。

相关问答

汽车 谐振器 的作用是什么_车坛

汽车谐振器起频率控制的作用。其是一个电子元件,对汽车十分重要。谐振器的介绍:谐振器就是指产生谐振频率的电子元件,常用的分为石英晶体谐振器和...

铜峰 电子 主营业务?

铜峰电子的主营业务是电容器用薄膜和薄膜电容器。公司控股子铜陵市峰华电子有限公司生产石英晶体谐振器,该业务目前在公司整体业务体系中占比不大。铜峰电子...

模电中常用 电子 元器件有哪些?

极管、可控硅、轻触开关、液晶、发光二极管、蜂鸣器、各种传感器、芯片、继电器、变压器、压敏电阻、保险丝、光耦、滤波器、接插件、电机...电阻、电容、二...

计算机 电子 元件的组成及特点?

电子元器件是电子元件和电子器件的总称。电子元件是工厂在加工时没有改变分子成分的产品,通常包括电阻器、电容器、电感器、电位器、继电器、连接器、各种敏感...

rlc电路是什么意思?

RLC电路是指R-L-C型电路,其中“R”代表电阻、“L”代表电感、“C”代表电容。这种电路是最常用的并联电路形式之一,其中含有电阻、电感和电容三个基本元件。RL...

NDK晶振主要用途?

NDK是日本电波工业株式会社的英文缩写(NIHONDEMPAKOGYOCO.,LTD.),公司成立于1948年,是“世界第二大”石英晶体元器件生产企业。NDK以“顾客满意度(CS)1...

压电陶瓷的用途是什么?

[回答]瓷的用途十分广泛。据粗略统计,压电陶瓷至少有20多种用途。让我们仅举几例:此外,通过正压电效应,把机械振动转换为交流电信号,可用来制造压电拾音器...

osc1代表什么意思?

"OSC1"是一个广泛用于电子领域的术语,可以表示不同的概念,具体含义取决于上下文。以下是一些可能的解释:振荡器(Oscillator)输入1:在数字电路或集成电路...

胶粘剂属于 电子 辅料吗?有哪些具体分类?

包括各种绝缘材料,屏蔽,EMI材料,防震产品,耐热隔热材料,胶粘制品,防尘材料制品,海棉产品及其他特殊材料,适用于电子,电器,玩具,灯饰,电讯,机械等厂...热熔胶...

苏州东晶 电子 怎么样?

东晶电子很好,是国内石英晶体元器件行业龙头。公司一直专业从事石英晶体元器件的研发、生产和销售,主要经营产品包括谐振器、振荡器等。东晶电子很好,是国内...

标签:

相关阅读