电子线路各种管的应用领域 细数二极管常用的8个用途

小编头像

小编

管理员

发布于:2025年05月04日

115 阅读 · 0 评论

细数二极管常用的8个用途

摘要 :二极管是非常常用的基础元器件,本文主要聊一聊其在电路设计中的应用,我大概总结了二极管的如下作用防反、整流、稳压、续流、检波、倍压、钳位、包络线检测。

1、防反作用

在主回路中,串联一个二极管,是利用二极管的单向导电的特性,实现了最简单可靠的低成本防反接功能电路。这种低成本方案一般在小电流的场合,类似小玩具等。因为二极管导通会有一个0.7V(硅管)的导通压降,如果实际电流很大的话,那么就会产生一个热损耗,会导致发热。而且如果反接的电压很大的话,超过反向截止电压,也会击穿二极管本身,导致二极管失效,起不到防反接的功能,从而不能起到保护后级电路的作用了。

2、整流作用

整流电路的作用是将交流降压电路输出的电压较低的交流电转换成单向脉动性直流电,这就是交流电的整流过程,整流电路主要由整流二极管组成。经过整流电路之后的电压已经不是交流电压,而是一种含有直流电压和交流电压的混合电压,习惯上称单向脉动性直流电压。

3、稳压作用

具备稳压作用的二极管叫做稳压二极管,英文名称Zener diode,又叫齐纳二极管。利用PN结反向击穿状态,其电流可在很大范围内变化而电压基本不变,其基本电路结构如下图所示。

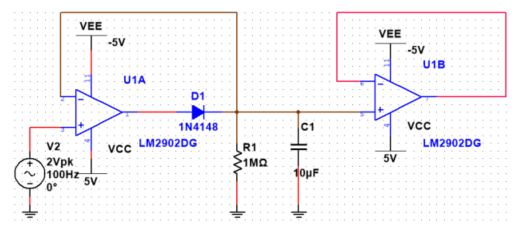
4、续流作用

续流二极管都是并联在线圈(感性元器件)的两端,线圈在通过电流时,会在其两端产生感应电动势。当电流消失时,其感应电动势会对电路中的原件产生反向电压。当反向电压高于原件的反向击穿电压时,会把原件如三极管,等造成损坏。续流二极管并联在线 两端,当流过线圈中的电流消失时,线圈产生的感应电动势通过二极管和线圈构成的回路做功而消耗掉。丛而保护了电路中的其它原件的安全。常见的电路结构如下。

又或者BUCK芯片电路中的续流二极管

5、检波作用

峰值检波电路是对输入信号幅值的最大值进行检测,其工作原理是:当输入电压幅度大于二极管正向电压时,二极管导通,输出电压加在电容C1上,电容两端充电完毕,当输入电压幅值低于先前输入电压幅值时,二极管处于反偏截止状态,此时,电容两端的电压基本保持不变;若再输入信号,输入电压幅度必须高于此时电容两端的电压(即加在二极管的正向电压),二极管才能导通。

6、倍压作用

下图是一个2倍压电路原理图,其工作过程大概分析如下:

电源负半周时,二极管D1导通,D2截止,电流从电源下端流出经过D1, C1回到电源,因此电容C1右正左负,如下图中红色箭头。电源正半周时,电容C1上的电压叠加电源电压,使二极管D2导通,二极管D1截止,电容C2上正下负,峰值电压可达2倍电源的峰值电压,即实现二倍压,该半周期时电流走向如下图中桔色箭头所示。

7、ADC检测口电压钳位作用

在一些ADC检测电路中会用两个二极管进行钳位保护,原理很简单,0.7V为D1和D2的导通压降,Vin进来的电压大于等于3.3V+0.7V时,D35导通,Vout会被钳位在4V;Vin小于等于-0.7V时,Vout被钳位在-0.7V左右。

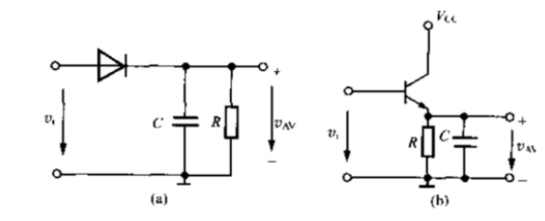
8、包络线检测作用

电路结构如下所示,设计要点是RC的时间常数需远大于载频的周期,又要远小于调制信号的周期。

免责声明:本文转自网络,版权归原作者所有,如涉及作品版权问题,请及时与我们联系,谢谢!

常用的三极管电路

1.复合管电路

复合管通常由两个三极管组成,这两个三极管可以是同型号的,也可以是不同型号的;可以是相同功率,也可以是不同功率。无论怎样组合连接,最后所构成的三极管的放大倍数都是二者放大倍数乘积。

电路连接一般有四种接法:即NPN+NPN、PNP+PNP、NPN+PNP、PNP+NPN

2.电流源电路

电流源电路中晶体管全部是一致的以保证通过其的电流是一致的

1)镜像电流源

IO = IR

电流源输出的Io约等于Ir,当Vcc和R的数值一定的情况下,Io也确定了,和Io端的负载没有关系,只要不超出Io端的电源的电压值。

2)改进型镜像电流源

3)比例电流源

4)微电流源

5)威尔逊电流源

3.差分电路

1)双端输入,单端输出差分放大电路如下:

2)单端输入,双端输出差分放大电路如下:

3)单端输入,单端输出差分放大电路如下:

4)改进型差分电路,在差分电路中,增大发射极电阻Re的阻值,能够有效地抑制每一边电路的温漂,提供共模抑制比,这一点对单端输出电路尤为重要。但是Re越大,需要的电源电压也非常大,在现实中是不实际的。为了既能采用较低的电源电压,又能有很大的等效电阻Re,可以采用恒利源电路来取代Re,电路图如下:

4.直接耦合互补输出级电路

对于电压放大电路的输出级一般有两个基本要求:一是输出电阻低,二是最大不失真输出电压尽可能大。共集放大电路满足前一要求,但是它带上负载后静态工作点会产生变化,而且输出不失真电压也将减少。为了满足后一要求,并且做到输入电压为零时,输出电压也为零,便产生了双向跟随的互补输出级。

这个电路因为Ube的开启电压存在的原因,会导致交越失真。常用的消除交越失真的电路如下:

为了消除交越失真,常采用上图中(b)的电路图。综合的准互补输出级电路图如下:

该内容转载自工程经验测试测量机械电气 ,仅供学习交流使用,如有侵权,请联系删除。

相关问答

我是问 电子 电路中的开关电路,比如二极 构成的,】作业帮

[最佳回答]常见的开关电路有三极管开关电路,场效应管开关电路(包括MOS管开关电路),触摸开关电路,温控开关电路,单键开关电路,光控开关电路,光电开关电路等等...

光电管 应用 什么原理_作业帮

[最佳回答]光电管的工作原理是光电效应.高能量的光照到金属板上将能量传给电子,使电子逸出,从而将光信号转变为电信号.当入射光频率大于截止频率时,K极逸出的...

高压 线路 有哪些不同 应用 场合,作用是什么?

我的工作就是电网规划,考虑这个问题应该算工作的一部分吧。我们先来了解一下什么叫做“输送功率”:在电力上,输送功率是指单位时间内,导体输送的电能量的多...

稳压 在电路中的作用有哪些?

稳压管应用1、浪涌保护电路:稳压管在准确的电压下击穿,这就使得它可作为限制或保护之元件来使用,因为各种电压的稳压二极管都可以得到,故对于这种应用特别适...

二级 在电路中起什么作用?

说几个常用的吧1.放在电源电路的前段,交流变直流的左右的整流电路,这个分为半波整流和全波整流2.放在dcdc电路中,无论是升压还是降压,作为续流二极管,为电...

三级 管的 三个 电子 级分为?

三极管三个极基极b、集电极c、发射极e,具体三个极起的作用要看具体应用的电路。但基本的功能是通过基极电流控制集电极和发射极的电流,一个工作正常的三极管基...

请问二集 SS14和SS34在电路中起什么作用?_作业帮

[最佳回答]SS14和SS34纯属是一个整流二级管,常用在小电流的(模型)电调上用,用于电路瞬间整流.

jdg 与pvc管用途?

JDG管是一种电气线路最新型保护用导管,连接套管及其金属附件采用螺钉紧定连接技术组成的电线管路,无需做跨接地,焊接和套丝,是明敷暗敷绝缘电线专用保护管路...

电路板上一般都有什么 电子 元件,它们都叫什么?

根据不同功能的电路板,元器件也不一样。电路板上的电子元件不外有固定电阻、可调电阻、固定电容、可调电容、固定电感、可调电感、普通二极管、稳压桥块、发光...

【谁能解释下三极 管的 放大电路,最好能举个实际 应用的 例子.太...

[最佳回答]以NPN管为例,C极接到电源的电阻RC叫集电极负载电阻,起给三极管C极供电和产生信号电压的作用.B极接到C极的电阻叫基极偏置电阻,向B极提供直流偏置电...

标签:

相关阅读