变压器电子元件原理与应用 变压器在电子电路中有什么用?一起来了解一下吧

小编头像

小编

管理员

发布于:2025年05月07日

102 阅读 · 0 评论

变压器在电子电路中有什么用?一起来了解一下吧

据不完全统计,2019年3月,中国电网月发电量已达到5697.9亿千瓦时

中国电网发电量

随着用电量不断提高,给电网供电系统提出了不小的难题

2011年12月16日,世界首条商业运营的特高压交流输电工程(1000千伏晋东南—南阳—荆门特高压交流试验示范工程)在中国正式投产。

特高压输电线路

特高压供电系统的应用为不断增高的用电量提供了一条解决路径

家用电器的用电电压多为220V,工业用电也不过380V,对于特高压供电系统的电力,我们该如何使用呢?

这就需要使用到变压器了

供电系统使用的变压器

供电系统的变压器和我们电子电路中使用的变压器在体积、容量方面有区别,但原理都是一样的

今天就一起来了解一下变压器吧

工频变压器

高频变压器

高频变压器

变压器为电压变换提供了方法,给各类电子元器件提供了合适的电压

变压器在电子电路中使用字母T表示,符号如图所示

电路符号

变压器工作原理

英国科学家法拉第于1831年提出电磁感应定律,这一定律为变压器的发明奠定了基础。

法拉第

变压器基本原理如图所示,其电流流过初级绕组,铁芯产生磁场,磁感线切割次级绕组,在次级绕组上产生感应电流

变压器基本工作原理

在电子电路中常用的变压器可以分为两类——低频变压器(<20KHZ)和高频变压器(<1MHz)

低频变压器和高频变压器的区别主要表现在工作频率上,这主要取决于变压器的磁芯材料

低频变压器使用的磁芯材料主要是硅钢片

硅钢片

低频变压器磁芯材料

高频变压器磁芯材料主要使用铁氧体磁芯

铁氧体磁芯

铁氧体磁芯

变压器的作用

1.电压变换—— 变压器可以实现电压变换,变压器初级绕组和次级绕组的匝数比值 等于初级电压和次级电压的比值

电压变换

2.信号隔离—— 变压器是利用电磁感应原理工作的,初级和次级绕组间没有电气连接

信号隔离,驱动MOS管

3.阻抗匹配—— 变压器各线圈的阻抗,与绕组匝数的平方成正比。利用这一特点,可以用变压器不同绕组匝数来变换阻抗

阻抗匹配,匹配不同喇叭阻抗

您的每一次关注、评论、点赞、转发都是对作者最大的支持,感谢您的阅读!!!

电子变压器原理介绍

来源:电子工程专辑

电子变压器也就是开关稳压电源。它实际上就是一种逆变器。首先把交流电变为直流电,然后用电子元件组成一个振荡器直流电变为高频交流电。通过开关变压器输出所需要的电压然后二次整流供用电器使用。电子变压器具有体积小,重量轻,价格低等优点,所以被广泛用在各种电器中。电子变压器的原理较复杂。

下面一种电子变压器电路图的分析,输入为ac220v,输出为ac12v,功率可达50w。它主要是在高频电子镇流器电路的基础上研制出来的一种变压器电路,其性能稳定,体积小,功率大,因而克服了传统的硅钢片变压器体大、笨重、价高等缺点。

电子变压器原理

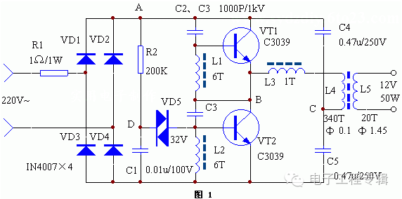
如图所示。电子变压器原理与开关电源工作原理相似,二极管vd1~vd4构成整流桥把市电变成 直流电,由振荡变压器t1,三极管vt1、vt2组成的高频振荡电路,将脉动直流变成高频电流,然后由铁氧体输出变压器t2对高频高压脉冲降压,获得所需 的电压和功率。r1为限流电阻。电阻r2、电容c1和双向触发二极管vd5构成启动触发电路。 三极管vt1、vt2选用s13005,其b为 15~2 0倍。也可用c3093等buceo>=35ov的大功率三极管。触发二极管vd5选用32v左右的db3或vr60。振荡变压器可自 制,用音频线绕制在 h7 x 10 x 6的磁环上。tia、t1b绕3匝,tc绕1匝。铁氧体输出变压器t2也需自制,磁心选用边长27mm、宽 20mm、厚10mm的ei型铁氧体。t2a用直径为0.45mm高强度漆包线绕100匝,t2b用直径为1.25mm高强度漆包线绕8匝。 二极管 vd1~vd4选用 in4007型,双向触发二极管选用db3型,电容c1~c3选用聚丙聚酯涤纶电容,耐压250v。

此电子变压器电路工作时,a点工作电压约为12v;b点约为25v;c点约为105v;d点约为10v。如果电压不满足上述数值,或电子变压器电路不 振荡,则应检查电路有无错焊、漏焊或虚焊。然后再检查vt1、vt2是否良好,t1a、t1b的相位是否正确。整个电子变压器电路装调成功后,可装入用金 属材料制作的小盒内,发利于屏蔽和散热,但必须注意电路与外壳的绝缘。引外,改变t2 a、b二线圈的匝数,则可改变输出的高频电压。

另一篇介绍电子变压器的文章

本文介绍的电子变压器克服了传统硅钢片变压器体积、重量大、效率低、价格高的缺点,电路成熟,性能稳定。

工作原理

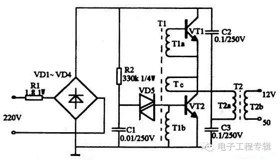
本电子变压器工作原理与开关电源相似,电路原理图见图1,由VD1-VD4将市电整流为直流,再把直流变成几十千赫兹的 高频电流,然后用铁氧休变压器对高频、高压脉冲降压。图中R2、C1、VD5为启动触发电路。C2、C3、L1、L2、L3、VT1、VT2构成高频振荡部分。

元器件选择与制作

元器件清单见下表。

L1、L2、L3分别绕在H7×4×2mm3的磁环上,L1、L2绕6匝;L3绕1匝。L4、L5绕在H31×18×7mm3的磁环上,L4绕用Φ=0.1mm的高强度线绕340匝;L5用Φ=1.45mm的高强度线绕20匝。VT1、VT2选用耐压BVceo≥350V大功率硅管。其它元件无特殊要求。

电路正常工作时,A点工作电压约为215V,B点约为108V,C点约为10V,D点约为25V。如果不振荡,检查VT1、VT2及L1、L2、L3的相位是否正常(交换L3的两根接线即可)。改变L5的匝数可改变输出电压。

附卤素灯用电子变压器原理图

来源:电子工程专辑

相关问答

电子变压器 的工作 原理电子变压器 有哪些用途?

电子变压器:具有将市电的交变电压转变为直流后,再通过半导体开关器件以及电子元件和高频变压器绕组,构成一种高频交流电压输出的电子装置,也是在电子学理论中...

在座的前辈谁明白,什么是 变压器变压器 原理 是什么?

[回答]差动变压器一般用作作为检测元件,而一般变压器一般作为电源转换部件或者信号切换部件。以E型为例。一般变压器的2个E型铁芯(磁芯)是相同在一起的紧...

电感线圈和 变压器 的作用 - 13915797616 的回答 - 懂得

电感线圈与变压器的作用:电感线圈是根据电磁感应原理制成的一种电子元器件,凡是能够产生电感作用的器件称为电感器。一个电感线圈接在直流电路中时,...

电子元件 认识与功能?

1、电子元件是组成电子产品的基础,常用的电子元件有:电阻、电容、电感、电位器、变压器、三极管、二极管等,就安装方式而言,可分为传统安装和表面安装两大类...

电感线圈和 变压器 的作用 - 131****0897 的回答 - 懂得

电感线圈可做交流滤波和限流,很多用途。看你怎麼使用。变压器作用就是变压和变流和隔离用。变压器分高频和低频。你说的问题不明确。电感线圈与变...

电气当中PT代表什么?最好详细点的?

电气中的PT指:电压互感器,作用是用来变换电压的仪器电压互感器(PotentialTransformer简称PT,VoltageTransformer简称VT)和变压器类似,是用来变换电压的....

变压器 是一种变换什么的 电子元件 ?

是一种变换电压的电子元件。是一种变换电压的电子元件。

...为信号传输的重要 元件变压器 ----静止的电磁装置 变压器 _作业帮

[最佳回答]TransformeriscreatedonthebasisoftheElectromagneticInduction.Itcantransformtheelectrica...

变压器 的基本工作 原理 是什么?

[回答]变压器---利用电磁感应原理,从一个电路向另一个电路传递电能或传输信号的一种电器是电能传递或作为信号传输的重要元件·当变压器原绕组通以交流电...

各种 变压器 的区别?-答疑解惑-广联达服务新干线

[最佳回答]油式变压器:也称油浸式变压器。它是变压器的一种结构型式,即变压器的线圈是浸泡在油中的。油浸式变压器由于防火的需要,一般安装在单独的变压器室内...

标签:

相关阅读