基础电子和电路应用习题 电路分析基础试题库(答案)

小编头像

小编

管理员

发布于:2025年05月04日

119 阅读 · 0 评论

电路分析基础试题库(答案)

试题库 一、填空题(建议较易填空每空0.5分,较难填空每空1分) 1、电流所经过的路径叫做 电路 ,通常由 电源 、 负载 和 中间环节 三部分组成。 2、实际电路按功能可分为电力系统的电路和电子技术的电路两大类,其中电力系统的电路其主要功能是对发电厂发出的电能进行 传输 、 分配 和 转换 ;电子技术的电路主要功能则是对电信号进行 传递 、 变换 、 存储 和 处理 。 3、实际电路元件的电特性 单一 而 确切 ,理想电路元件的电特性则 多元 和 复杂 。无源二端理想电路元件包括 电阻 元件、 电感 元件和 电容 元件。 4、由 理想电路 元件构成的、与实际电路相对应的电路称为 电路模型 ,这类电路只适用 集总 参数元件构成的低、中频电路的分析。 5、大小和方向均不随时间变化的电压和电流称为 稳恒直流 电,大小和方向均随时间变化的电压和电流称为 交流 电,大小和方向均随时间按照正弦规律变化的电压和电流被称为 正弦交流 电。 6、 电压 是电路中产生电流的根本原因,数值上等于电路中 两

点电位 的差值。

7、 电位 具有相对性,其大小正负相对于电路参考点而言。

8、衡量电源力作功本领的物理量称为 电动势 ,它只存在于 电源 内部,其参考方向规定由 电源正极高 电位指向 电源负极低 电位,与 电源端电压 的参考方向相反。

9、电流所做的功称为 电功 ,其单位有 焦耳 和 度 ;单位时间内电流所做的功称为 电功率 ,其单位有 瓦特 和 千瓦 。

10、通常我们把负载上的电压、电流方向称作 关联 方向;而把电源上的电压和电流方向称为 非关联 方向。

11、 欧姆 定律体现了线性电路元件上电压、电流的约束关系,与电路的连接方式无关; 基尔霍夫 定律则是反映了电路的整体规律,其中 KCL 定律体现了电路中任意结点上汇集的所有 支路电流 的约束关系, KVL 定律体现了电路中任意回路上所有 元件上电压 的约束关系,具有普遍性。

12、理想电压源输出的 电压 值恒定,输出的 电流值 由它本身和外电路共同决定;理想电流源输出的 电流 值恒定,输出的 电压 由它本身和外电路共同决定。

13、电阻均为9Ω的Δ形电阻网络,若等效为Y形网络,各电阻的阻值应为 3 Ω。

编辑切换为居中

添加图片注释,不超过 140 字(可选)

15、直流电桥的平衡条件是 对臂电阻的乘积 相等;负载上获得最大功率的条件是 电源内阻 等于 负载电阻 ,获得的最大功率

添加图片注释,不超过 140 字(可选)

US2/4R0 。

16、如果受控源所在电路没有独立源存在时,它仅仅是一个 无源 元件,而当它的控制量不为零时,它相当于一个 电源 。在含有受控源的电路分析中,特别要注意:不能随意把 控制量 的支路消除掉。

二、判断下列说法的正确与错误 (建议每小题1分)

1、集总参数元件的电磁过程都分别集中在各元件内部进行。 ( ∨ )

2、实际电感线圈在任何情况下的电路模型都可以用电感元件来抽象表征。 ( × )

3、电压、电位和电动势定义式形式相同,所以它们的单位一样。 ( ∨ )

4、电流由元件的低电位端流向高电位端的参考方向称为关联方向。 ( × )

5、电功率大的用电器,电功也一定大。 ( × )

6、电路分析中一个电流得负值,说明它小于零。 ( × )

7、电路中任意两个结点之间连接的电路统称为支路。 ( ∨ )

8、网孔都是回路,而回路则不一定是网孔。 ( ∨ )

9、应用基尔霍夫定律列写方程式时,可以不参照参考方向。 ( × )

10、电压和电流计算结果得负值,说明它们的参考方向假设反了。 ( ∨ )

11、理想电压源和理想电流源可以等效互换。 ( × )

12、两个电路等效,即它们无论其内部还是外部都相同。 ( × )

13、直流电桥可用来较准确地测量电阻。 ( ∨ )

14、负载上获得最大功率时,说明电源的利用率达到了最大。 ( × )

15、受控源在电路分析中的作用,和独立源完全相同。 ( × )

16、电路等效变换时,如果一条支路的电流为零,可按短路处理。 ( × )

三、单项选择题 (建议每小题2分)

1、当电路中电流的参考方向与电流的真实方向相反时,该电流( B )

A、一定为正值 B、一定为负值 C、不能肯定是正值或负值

2、已知空间有a、b两点,电压Uab=10V,a点电位为Va=4V,则b点电位Vb为( B )

A、6V B、-6V C、14V

编辑切换为居中

添加图片注释,不超过 140 字(可选)

5、两个电阻串联,R1:R2=1:2,总电压为60V,则U1的大小为( B )

A、10V B、20V C、30V

6、已知接成Y形的三个电阻都是30Ω,则等效Δ形的三个电阻阻值为( C )

A、全是10Ω B、两个30Ω一个90Ω C、全是90Ω

7、电阻是( C )元件,电感是( B )的元件,电容是( A )的元件。

A、储存电场能量 B、储存磁场能量 C、耗能

8、一个输出电压几乎不变的设备有载运行,当负载增大时,是指( C )

A、负载电阻增大 B、负载电阻减小 C、电源输出的电流增大

9、理想电压源和理想电流源间( B )

A、有等效变换关系 B、没有等效变换关系 C、有条件下的等效关系

10、当恒流源开路时,该恒流源内部( B )

A、有电流,有功率损耗 B、无电流,无功率损耗 C、有电流,无功率损耗

四、简答题 (建议每小题3~5分)

1、在8个灯泡串联的电路中,除4号灯不亮外其它7个灯都亮。当把4号灯从灯座上取下后,剩下7个灯仍亮,问电路中有何故障?为什么?

答:电路中发生了4号灯短路故障,当它短路时,在电路中不起作用,因此放上和取下对电路不发生影响。

2、额定电压相同、额定功率不等的两个白炽灯,能否串联使用?

答:不能,因为这两个白炽灯的灯丝电阻不同,瓦数大的灯电阻小分压少,不能正常工作,瓦数小的灯电阻大分压多易烧。

3、电桥电路是复杂电路还是简单电路?当电桥平衡时,它是复杂电路还是简单电路?为什么?

答:电桥电路处于平衡状态时,由于桥支路电流为零可拿掉,因此四个桥臂具有了串、并联关系,是简单电路,如果电桥电路不平衡,则为复杂电路。

4、直流电、脉动直流电、交流电、正弦交流电的主要区别是什么?

答:直流电的大小和方向均不随时间变化;脉动直流电的大小随时间变化,方向不随时间变化;交流电的大小和方向均随时间变化;正弦交流电的大小和方向随时间按正弦规律变化。

5、负载上获得最大功率时,电源的利用率大约是多少?

答:负载上获得最大功率时,电源的利用率约为50%。

6、电路等效变换时,电压为零的支路可以去掉吗?为什么?

答:电路等效变换时,电压为零的支路不可以去掉。因为短路相当于短接,要用一根短接线代替。

7、在电路等效变换过程中,受控源的处理与独立源有哪些相同?有什么不同?

答:在电路等效变换的过程中,受控电压源的控制量为零时相当于短路;受控电流源控制量为零时相当于开路。当控制量不为零时,受控源的处理与独立源无原则上区别,只是要注意在对电路化简的过程中不能随意把含有控制量的支路消除掉。

8、工程实际应用中,利用平衡电桥可以解决什么问题?电桥的平衡条件是什么?

答:工程实际应用中,利用平衡电桥可以较为精确地测量电阻,电桥平衡的条件是对臂电阻的乘积相等。

9、试述“电路等效”的概念。

答:两个电路等效,是指其对端口以外的部分作用效果相同。

10、试述参考方向中的“正、负”,“加、减”,“相反、相同”等名词的概念。

答:“正、负”是指在参考方向下,某电量为正值还是为负值;“加、减”是指方程式各量前面的加、减号;“相反、相同”则指电压和电流方向是非关联还是关联。

编辑切换为居中

添加图片注释,不超过 140 字(可选)

编辑切换为居中

添加图片注释,不超过 140 字(可选)

7、试求图1.5.7所示电路的入端电阻RAB。(150Ω)

第1章 试题库

一、填空题 (建议较易填空每空0.5分,较难填空每空1分)

1、凡是用电阻的串并联和欧姆定律可以求解的电路统称为 简单 电路,若用上述方法不能直接求解的电路,则称为 复杂 电路。

2、以客观存在的支路电流为未知量,直接应用 KCL 定律和 KVL 定律求解电路的方法,称为 支路电流 法。

3、当复杂电路的支路数较多、回路数较少时,应用 回路 电流法可以适当减少方程式数目。这种解题方法中,是以 假想 的 回路 电流为未知量,直接应用 KVL 定律求解电路的方法。

4、当复杂电路的支路数较多、结点数较少时,应用 结点 电压法可以适当减少方程式数目。这种解题方法中,是以 客观存在 的 结点 电压为未知量,直接应用 KCL 定律和 欧姆 定律求解电路的方法。

5、当电路只有两个结点时,应用 结点电压 法只需对电路列写 1 个方程式,方程式的一般表达式为

添加图片注释,不超过 140 字(可选)

,称作 弥尔曼 定理。

6、在多个电源共同作用的 线性 电路中,任一支路的响应均可看成是由各个激励单独作用下在该支路上所产生的响应的 叠加 ,称为叠加定理。

7、具有两个引出端钮的电路称为 二端 网络,其内部含有电源称为 有源二端 网络,内部不包含电源的称为 无源二端 网络。

8、“等效”是指对 端口处等效 以外的电路作用效果相同。戴维南等效电路是指一个电阻和一个电压源的串联组合,其中电阻等于原有源二端网络 除源 后的 入端 电阻,电压源等于原有源二端网络的 开路 电压。

9、为了减少方程式数目,在电路分析方法中我们引入了 回路 电流法、 结点 电压法; 叠加 定理只适用线性电路的分析。

10、在进行戴维南定理化简电路的过程中,如果出现受控源,应注意除源后的二端网络等效化简的过程中,受控电压源应 短路 处理;受控电流源应 开路 处理。在对有源二端网络求解开路电压的过程中,受控源处理应与 独立源的 分析方法相同。

二、判断下列说法的正确与错误 (建议每小题1分)

1、叠加定理只适合于直流电路的分析。 ( × )

2、支路电流法和回路电流法都是为了减少方程式数目而引入的电路分析法。( ∨ )

3、回路电流法是只应用基尔霍夫第二定律对电路求解的方法。 ( ∨ )

4、结点电压法是只应用基尔霍夫第二定律对电路求解的方法。 ( × )

5、弥尔曼定理可适用于任意结点电路的求解。 ( × )

6、应用结点电压法求解电路时,参考点可要可不要。 ( × )

7、回路电流法只要求出回路电流,电路最终求解的量就算解出来了。 ( × )

8、回路电流是为了减少方程式数目而人为假想的绕回路流动的电流。 ( ∨ )

9、应用结点电压法求解电路,自动满足基尔霍夫第二定律。 ( ∨ )

10、实用中的任何一个两孔插座对外都可视为一个有源二端网络。 ( ∨ )

三、单项选择题 (建议每小题2分)

1、叠加定理只适用于( C )

A、交流电路 B、直流电路 C、线性电路

2、自动满足基尔霍夫第一定律的电路求解法是( B )

A、支路电流法 B、回路电流法 C、结点电压法

3、自动满足基尔霍夫第二定律的电路求解法是( C )

A、支路电流法 B、回路电流法 C、结点电压法

4、必须设立电路参考点后才能求解电路的方法是( C )

A、支路电流法 B、回路电流法 C、结点电压法

5、只适应于线性电路求解的方法是( C )

A、弥尔曼定理 B、戴维南定理 C、叠加定理

四、简答题 (建议每小题3~5分)

1、下图所示电路应用哪种方法进行求解最为简便?为什么?

编辑

添加图片注释,不超过 140 字(可选)

答:用弥尔曼定理求解最为简便,因为电路中只含有两个结点。

2、试述回路电流法求解电路的步骤。回路电流是否为电路的最终求解响应?

答:回路电流法求解电路的基本步骤如下:

1.选取独立回路(一般选择网孔作为独立回路),在回路中标示出假想回路电流的参考方向,并把这一参考方向作为回路的绕行方向。

2.建立回路的KVL方程式。应注意自电阻压降恒为正值,公共支路上互电阻压降的正、负由相邻回路电流的方向来决定:当相邻回路电流方向流经互电阻时与本回路电流方向一致时该部分压降取正,相反时取负。方程式右边电压升的正、负取值方法与支路电流法相同。

3.求解联立方程式,得出假想的各回路电流。

编辑

添加图片注释,不超过 140 字(可选)

4.在电路图上标出客观存在的各支路电流的参考方向,按照它们与回路电流之间的关系,求出各条支路电流。

回路电流是为了减少方程式数目而人为假想的绕回路流动的电流,不是电路的最终求解响应,最后要根据客观存在的支路电流与回路电流之间的关系求出支路电流。

3、一个不平衡电桥电路进行求解时,只用电阻的串并联和欧姆定律能够求解吗?

答:不平衡电桥电路是复杂电路,只用电阻的串并联和欧姆定律是无法求解的,必须采用KCL和KCL及欧姆定律才能求解电路。

4、试述戴维南定理的求解步骤?如何把一个有源二端网络化为一个无源二端网络?在此过程中,有源二端网络内部的电压源和电流源应如何处理?

答:戴维南定理的解题步骤为:

1.将待求支路与有源二端网络分离,对断开的两个端钮分别标以记号(例如a和b);

2.对有源二端网络求解其开路电压UOC;

3.把有源二端网络进行除源处理:其中电压源用短接线代替;电流源断开。然后对无源二端网络求解其入端电阻R入;

4.让开路电压UOC等于戴维南等效电路的电压源US,入端电阻R入等于戴维南等效电路的内阻R0,在戴维南等效电路两端断开处重新把待求支路接上,根据欧姆定律求出其电流或电压。

把一个有源二端网络化为一个无源二端网络就是除源,如上述3.所述。

5、实际应用中,我们用高内阻电压表测得某直流电源的开路电压为225V,用足够量程的电流表测得该直流电源的短路电流为50A,问这一直流电源的戴维南等效电路?

答:直流电源的开路电压即为它的戴维南等效电路的电压源US,225/50=4.5Ω等于该直流电源戴维南等效电路的内阻R0。

五、计算分析题 (根据实际难度定分,建议每题在6~12分范围)

1、已知图2.5.1电路中电压U=4.5V,试应用已经学过的电路求解法求电阻R。

(18Ω)

编辑

添加图片注释,不超过 140 字(可选)

2、求解图2.5.2所示电路的戴维南等效电路。

(Uab=0V,R0=8.8Ω)

编辑

添加图片注释,不超过 140 字(可选)

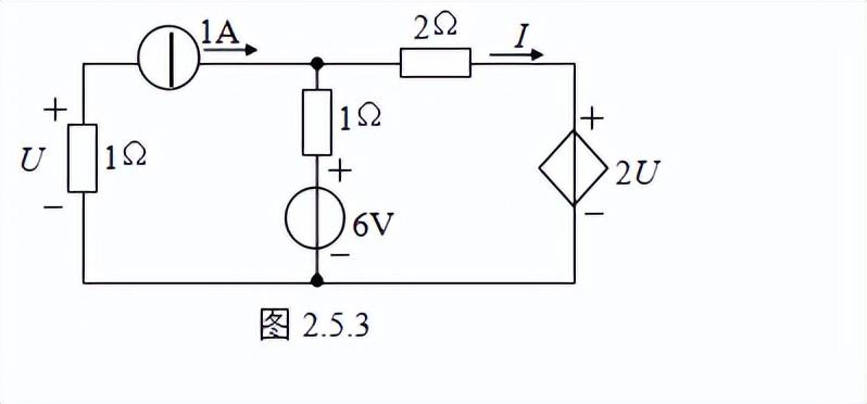
3、试用叠加定理求解图2.5.3所示电路中的电流I。

(在电流源单独作用下U=1V,Iˊ=-1/3A,电压源单独作用时,I"=2A,所以电流I=5/3A)

编辑

添加图片注释,不超过 140 字(可选)

4、列出图2.5.4所示电路的结点电压方程。

编辑

添加图片注释,不超过 140 字(可选)

解:画出图2.5.4等效电路图如下:

编辑

添加图片注释,不超过 140 字(可选)

编辑

添加图片注释,不超过 140 字(可选)

第2章 试题库

一、填空题 (建议较易填空每空0.5分,较难填空每空1分)

1、正弦交流电的三要素是指正弦量的 最大值 、 角频率 和 初相 。

2、反映正弦交流电振荡幅度的量是它的 最大值 ;反映正弦量随时间变化快慢程度的量是它的 频率 ;确定正弦量计时始位置的是它的 初相 。

3、已知一正弦量

编辑

添加图片注释,不超过 140 字(可选)

,则该正弦电流的最大值是 7.07 A;有效值是 5 A;角频率是 314 rad/s;频率是 50 Hz;周期是 0.02 s;随时间的变化进程相位是 314t-30°电角 ;初相是 -30° ;合 -π/6 弧度。

4、正弦量的 有效 值等于它的瞬时值的平方在一个周期内的平均值的 开方 ,所以 有效 值又称为方均根值。也可以说,交流电的 有效 值等于与其 热效应 相同的直流电的数值。

5、两个 同频率 正弦量之间的相位之差称为相位差, 不同 频率的正弦量之间不存在相位差的概念。

6、实际应用的电表交流指示值和我们实验的交流测量值,都是交流电的 有效 值。工程上所说的交流电压、交流电流的数值,通常也都是它们的 有效 值,此值与交流电最大值的数量关系为: 最大值是有效值的1.414倍 。

7、电阻元件上的电压、电流在相位上是 同相 关系;电感元件上的电压、电流相位存在 正交 关系,且电压 超前 电流;电容元件上的电压、电流相位存在 正交 关系,且电压 滞后 电流。

8、 同相 的电压和电流构成的是有功功率,用P表示,单位为 W ; 正交 的电压和电流构成无功功率,用Q表示,单位为 Var 。

9、能量转换中过程不可逆的功率称 有 功功率,能量转换中过程可逆的功率称 无 功功率。能量转换过程不可逆的功率意味着不但 有交换 ,而且还有 消耗 ;能量转换过程可逆的功率则意味着只 交换 不 消耗 。

10、正弦交流电路中,电阻元件上的阻抗

编辑切换为居中

添加图片注释,不超过 140 字(可选)

二、判断下列说法的正确与错误 (建议每小题1分)

1、正弦量的三要素是指它的最大值、角频率和相位。 ( × )

2、

编辑切换为居中

添加图片注释,不超过 140 字(可选)

3、电抗和电阻的概念相同,都是阻碍交流电流的因素。 ( × )

4、电阻元件上只消耗有功功率,不产生无功功率。 ( ∨ )

5、从电压、电流瞬时值关系式来看,电感元件属于动态元件。 ( ∨ )

6、无功功率的概念可以理解为这部分功率在电路中不起任何作用。 ( × )

7、几个电容元件相串联,其电容量一定增大。 ( × )

8、单一电感元件的正弦交流电路中,消耗的有功功率比较小。 ( × )

三、单项选择题 (建议每小题2分)

编辑切换为居中

添加图片注释,不超过 140 字(可选)

5、电容元件的正弦交流电路中,电压有效值不变,当频率增大时,电路中电流将( A )

A、增大 B、减小 C、不变

6、电感元件的正弦交流电路中,电压有效值不变,当频率增大时,电路中电流将( B )

A、增大 B、减小 C、不变

7、实验室中的交流电压表和电流表,其读值是交流电的( B )。

A、最大值 B、有效值 C、瞬时值

8、314μF电容元件用在100Hz的正弦交流电路中,所呈现的容抗值为( C )

A、0.197Ω B、31.8Ω C、5.1Ω

编辑切换为居中

添加图片注释,不超过 140 字(可选)

10、某电阻元件的额定数据为“1KΩ、2.5W”,正常使用时允许流过的最大电流为( A )

A、50mA B、2.5mA C、250mA

11、u=-100sin(6πt+10°)V超前i=5cos(6πt-15°)A的相位差是( C )

A、25° B、95° C、115°

12、周期T=1S、频率f=1Hz的正弦波是( C )

A、4cos314t B、6sin(5t+17°) C、4cos2πt

四、简答题 (建议每小题3~5分)

1、电源电压不变,当电路的频率变化时,通过电感元件的电流发生变化吗?

答:频率变化时,感抗增大,所以电源电压不变,电感元件的电流将减小。

2、某电容器额定耐压值为450伏,能否把它接在交流380伏的电源上使用?为什么?

答:380×1.414=537V>450V,不能把耐压为450V的电容器接在交流380V的电源上使用,因为电源最大值为537V,超过了电容器的耐压值。

3、你能说出电阻和电抗的不同之处和相似之处吗?它们的单位相同吗?

答:电阻在阻碍电流时伴随着消耗,电抗在阻碍电流时无消耗,二者单位相同。

4、无功功率和有功功率有什么区别?能否从字面上把无功功率理解为无用之功?为什么?

答:有功功率反映了电路中能量转换过程中不可逆的那部分功率,无功功率反映了电路中能量转换过程中只交换、不消耗的那部分功率,无功功率不能从字面上理解为无用之功,因为变压器、电动机工作时如果没有电路提供的无功功率将无法工作。

5、从哪个方面来说,电阻元件是即时元件,电感和电容元件为动态元件?又从哪个方面说电阻元件是耗能元件,电感和电容元件是储能元件?

答:从电压和电流的瞬时值关系来说,电阻元件电压电流为欧姆定律的即时对应关系,因此称为即时元件;电感和电容上的电压电流上关系都是微分或积分的动态关系,因此称为动态元件。从瞬时功率表达式来看,电阻元件上的瞬时功率恒为正值或零,所以为耗能元件,而电感和电容元件的瞬时功率在一个周期内的平均值为零,只进行能量的吞吐而不耗能,所以称为储能元件。

6、正弦量的初相值有什么规定?相位差有什么规定?

答:正弦量的初相和相位差都规定不得超过

添加图片注释,不超过 140 字(可选)

180°。

7、直流情况下,电容的容抗等于多少?容抗与哪些因素有关?

答:直流情况下,电容的容抗等于无穷大,称隔直流作用。容抗与频率成反比,与电容量成反比。

8、感抗、容抗和电阻有何相同?有何不同?

答:感抗、容抗在阻碍电流的过程中没有消耗,电阻在阻碍电流的过程中伴随着消耗,这是它们的不同之处,三者都是电压和电流的比值,因此它们的单位相同,都是欧姆。

9、额定电压相同、额定功率不等的两个白炽灯,能否串联使用?

答:额定电压相同、额定功率不等的两个白炽灯是不能串联使用的,因为串联时通过的电流相同,而这两盏灯由于功率不同它们的灯丝电阻是不同的:功率大的白炽灯灯丝电阻小分压少,不能正常工作;功率小的白炽灯灯丝电阻大分压多容易烧损。

10、如何理解电容元件的“通交隔直”作用?

答:直流电路中,电容元件对直流呈现的容抗为无穷大,阻碍直流电通过,称隔直作用;交流电路中,电容元件对交流呈现的容抗很小,有利于交流电流通过,称通交作用。

五、计算分析题 (根据实际难度定分,建议每题在6~12分范围)

1、试求下列各正弦量的周期、频率和初相,二者的相位差如何?

(1)3sin314t; (2)8sin(5t+17°)

(3sin314t是工频交流电,周期为0.02s、频率是50Hz、初相是零;

8sin(5t+17°)是周期为1.256s、频率为0.796Hz、初相为17°的正弦交流电)

2、某电阻元件的参数为8Ω,接在

添加图片注释,不超过 140 字(可选)

V的交流电源上。试求通过电阻元件上的电流i,如用电流表测量该电路中的电流,其读数为多少?电路消耗的功率是多少瓦?若电源的频率增大一倍,电压有效值不变又如何?(8分)

(i=38.9sin314tA,用电流表测量电流值应为27.5A,P=6050W;当电源频率增大一倍时,电压有效值不变时,由于电阻与频率无关,所以电阻上通过的电流有效值不变)

3、某线圈的电感量为0.1亨,电阻可忽略不计。接在

添加图片注释,不超过 140 字(可选)

V的交流电源上。试求电路中的电流及无功功率;若电源频率为100Hz,电压有效值不变又如何?写出电流的瞬时值表达式。(8分)

(i≈9.91sin(314t-90°)A,用电流表测量电流值应为7A,Q=1538.6Var;当电源频率增大为100Hz时,电压有效值不变,由于电感与频率成正比,所以电感上通过的电流有效值及无功功率均减半,iˊ≈4.95sin(628t-90°)A)

4、图3.5.4所示电路中,各电容量、交流电源的电压值和频率均相同,问哪一个电流表的读数最大?哪个为零?为什么?

编辑

添加图片注释,不超过 140 字(可选)

(图b电流表计数为零,因为电容隔直;图a和图c中都是正弦交流电,且电容端电压相同,电流与电容量成正比,因此A3电流表读数最大)

5、已知工频正弦交流电流在t=0时的瞬时值等于0.5A,计时始该电流初相为30°,求这一正弦交流电流的有效值。(0.707A)

6、在1μF的电容器两端加上

编辑

添加图片注释,不超过 140 字(可选)

V的正弦电压,求通过电容器中的电流有效值及电流的瞬时值解析式。若所加电压的有效值与初相不变,而频率增加为100Hz时,通过电容器中的电流有效值又是多少?(①22.2mA,i≈31.4sin(314t+60°)A;②频率增倍时,容抗减半,电压有效值不变则电流增倍,为44.4A)

第3章 试题库

一、填空题 (建议较易填空每空0.5分,较难填空每空1分)

1、与正弦量具有一一对应关系的复数电压、复数电流称之为 相量 。最大值 相量 的模对应于正弦量的 最大 值,有效值 相量 的模对应正弦量的 有效 值,它们的幅角对应正弦量的 初相 。

2、单一电阻元件的正弦交流电路中,复阻抗Z= R ;单一电感元件的正弦交流电路中,复阻抗Z= jXL ;单一电容元件的正弦交流电路中,复阻抗Z= -jXC ;电阻电感相串联的正弦交流电路中,复阻抗Z= R+jXL ;电阻电容相串联的正弦交流电路中,复阻抗Z= R-jXC ;电阻电感电容相串联的正弦交流电路中,复阻抗Z= R+j(XL-XC) 。

3、单一电阻元件的正弦交流电路中,复导纳Y= G ;单一电感元件的正弦交流电路中,复导纳Y= -jBL ;单一电容元件的正弦交流电路中,复导纳Y= jBC ;电阻电感电容相并联的正弦交流电路中,复导纳Y= G+j(BC-BL) 。

4、按照各个正弦量的大小和相位关系用初始位置的有向线段画出的若干个相量的图形,称为 相量 图。

5、相量分析法,就是把正弦交流电路用相量模型来表示,其中正弦量用 相量 代替,R、L、C电路参数用对应的 复阻抗 表示,则直流电阻性电路中所有的公式定律均适用于对相量模型的分析,只是计算形式以 复数 运算代替了代数运算。

6、有效值相量图中,各相量的线段长度对应了正弦量的 有效 值,各相量与正向实轴之间的夹角对应正弦量的 初相 。相量图直观地反映了各正弦量之间的 数量 关系和 相位 关系。

7、 电压 三角形是相量图,因此可定性地反映各电压相量之间的 数量 关系及相位关系, 阻抗 三角形和 功率 三角形不是相量图,因此它们只能定性地反映各量之间的 数量 关系。

8、R、L、C串联电路中,电路复阻抗虚部大于零时,电路呈 感 性;若复阻抗虚部小于零时,电路呈 容 性;当电路复阻抗的虚部等于零时,电路呈 阻 性,此时电路中的总电压和电流相量在相位上呈 同相 关系,称电路发生串联 谐振 。

9、R、L、C并联电路中,电路复导纳虚部大于零时,电路呈 容 性;若复导纳虚部小于零时,电路呈 感 性;当电路复导纳的虚部等于零时,电路呈 阻 性,此时电路中的总电流、电压相量在相位上呈 同相 关系,称电路发生并联 谐振 。

10、R、L串联电路中,测得电阻两端电压为120V,电感两端电压为160V,则电路总电压是 200 V。

11、R、L、C并联电路中,测得电阻上通过的电流为3A,电感上通过的电流为8A,电容元件上通过的电流是4A,总电流是 5 A,电路呈 感 性。

12、复功率的实部是 有功 功率,单位是 瓦 ;复功率的虚部是 无功 功率,单位是 乏尔 ;复功率的模对应正弦交流电路的 视在 功率,单位是 伏安 。

二、判断下列说法的正确与错误 (建议每小题1分)

1、正弦量可以用相量来表示,因此相量等于正弦量。 ( × )

2、几个复阻抗相加时,它们的和增大;几个复阻抗相减时,其差减小。 ( × )

3、串联电路的总电压超前电流时,电路一定呈感性。 ( ∨ )

4、并联电路的总电流超前路端电压时,电路应呈感性。 ( × )

5、电感电容相串联,UL=120V,UC=80V,则总电压等于200V。 ( × )

6、电阻电感相并联,IR=3A,IL=4A,则总电流等于5A。 ( ∨ )

7、提高功率因数,可使负载中的电流减小,因此电源利用率提高。 ( × )

8、避免感性设备的空载,减少感性设备的轻载,可自然提高功率因数。 ( ∨ )

9、只要在感性设备两端并联一电容器,即可提高电路的功率因数。 ( × )

10、视在功率在数值上等于电路中有功功率和无功功率之和。 ( × )

三、单项选择题 (建议每小题2分)

1、标有额定值为“220V、100W”和“220V、25W”白炽灯两盏,将其串联后接入220V工频交流电源上,其亮度情况是( B )

A、100W的灯泡较亮 B、25W的灯泡较亮 C、两只灯泡一样亮

2、在RL串联的交流电路中,R上端电压为16V,L上端电压为12V,则总电压为( B )

A、28V B、20V C、4V

编辑切换为居中

添加图片注释,不超过 140 字(可选)

4、已知电路复阻抗Z=(3-j4)Ω,则该电路一定呈( B )

A、感性 B、容性 C、阻性

5、电感、电容相串联的正弦交流电路,消耗的有功功率为( C )

A、UI B、I2X C、0

编辑

添加图片注释,不超过 140 字(可选)

6、在右图所示电路中,R=XL=XC,并已知安培表A1的读数为3A,则安培表A2、A3的读数应为( C )

A、1A、1A B、3A、0A C、4.24A、3A

7、每只日光灯的功率因数为0.5,当N只日光灯相并联时,总的功率因数( C );若再与M只白炽灯并联,则总功率因数( A )

A、大于0.5 B、小于0.5 C、等于0.5

8、日光灯电路的灯管电压与镇流器两端电压和电路总电压的关系为( B )

A、两电压之和等于总电压 B、两电压的相量和等于总电压

四、简答题 (建议每小题3~5分)

1、额定电压相同、额定功率不等的两个白炽灯,能否串联使用?

答:不能串联使用。因为额定功率不同时两个白炽灯分压不同。

2、试述提高功率因数的意义和方法。

答:提高功率因数可减少线路上的功率损耗,同时可提高电源设备的利用率,有利于国民经济的发展。提高功率因数的方法有两种:一是自然提高法,就是避免感性设备的空载和尽量减少其空载;二是人工补偿法,就是在感性线路两端并联适当的电容。

3、相量等于正弦量的说法对吗?正弦量的解析式和相量式之间能用等号吗?

答:相量可以用来表示正弦量,相量不是正弦量,因此正弦量的解析式和相量式之间是不能画等号的。

4、电压、电流相位如何时只吸收有功功率?只吸收无功功率时二者相位又如何?

答:电压、电流相位同相时只吸收有功功率,当它们相位正交时只吸收无功功率

5、阻抗三角形和功率三角形是相量图吗?电压三角形呢?

答:阻抗三角形和功率三角形都不是相量图,电压三角形是相量图。

6、并联电容器可以提高电路的功率因数,并联电容器的容量越大,功率因数是否被提得越高?为什么?会不会使电路的功率因数为负值?是否可以用串联电容器的方法提高功率因数?

答:并联电容器可以提高电路的功率因数,但提倡欠补偿,如果并联电容器的容量过大而出现过补偿时,会使电路的功率因数为负值,即电路由感性变为容性,当并联电容达到某一数值时,还会导致功率因数继续下降(可用相量图分析)。实际中是不能用串联电容器的方法提高电路的功率因数的,因为串联电容器可以分压,设备的额定电压将发生变化而不能正常工作。

五、计算分析题 (根据实际难度定分,建议每题在6~12分范围)

编辑切换为居中

添加图片注释,不超过 140 字(可选)

3、在电扇电动机中串联一个电感线圈可以降低电动机两端的电压,从而达到调速的目的。已知电动机电阻为190Ω,感抗为260Ω,电源电压为工频220V。现要使电动机上的电压降为180V,求串联电感线圈的电感量L'应为多大(假定此线圈无损耗电阻)?能否用串联电阻来代替此线圈?试比较两种方法的优缺点。

编辑切换为居中

添加图片注释,不超过 140 字(可选)

4、已知右图所示电路中,R=XC=10Ω,UAB=UBC,且电路中路端电压与总电流同相,求复阻抗Z。

解:根据题意可知,电路中发生了串联谐振。

编辑切换为居中

添加图片注释,不超过 140 字(可选)

编辑切换为居中

添加图片注释,不超过 140 字(可选)

编辑切换为居中

添加图片注释,不超过 140 字(可选)

7、已知感性负载两端电压u=311cos314tV,,测得电路中的有功功率为7.5KW,无功功率为5.5KVar,试求感性负载的功率因数及其串联和并联等效参数。

编辑切换为居中

添加图片注释,不超过 140 字(可选)

8、在右图所示电路中,已知复阻抗Z2=j60Ω,各交流电压的有效值分别为:US=100V,U1=171V,U2=240V,求复阻抗Z1。

编辑

添加图片注释,不超过 140 字(可选)

解:设串联电路中的电流为参考相量,则

编辑切换为居中

添加图片注释,不超过 140 字(可选)

编辑切换为居中

添加图片注释,不超过 140 字(可选)

第4章 试题库

一、填空题 (建议较易填空每空0.5分,较难填空每空1分)

1、在含有L、C的电路中,出现总电压、电流同相位,这种现象称为 谐振 。这种现象若发生在串联电路中,则电路中阻抗 最小 ,电压一定时电流 最大 ,且在电感和电容两端将出现 过电压 ;该现象若发生在并联电路中,电路阻抗将 最大 ,电压一定时电流则 最小 ,但在电感和电容支路中将出现 过电流 现象。

编辑切换为居中

添加图片注释,不超过 140 字(可选)

7、谐振电路的应用,主要体现在用于 信号的选择 ,用于 元器件的测量 和用于 提高功率的传输效率 。

8、品质因数越 大 ,电路的 选择 性越好,但不能无限制地加大品质因数,否则将造成 通频带 变窄,致使接收信号产生失真。

二、判断下列说法的正确与错误 (建议每小题1分)

1、串联谐振电路不仅广泛应用于电子技术中,也广泛应用于电力系统中。 ( × )

2、谐振电路的品质因数越高,电路选择性越好,因此实用中Q值越大越好。 ( × )

3、串联谐振在L和C两端将出现过电压现象,因此也把串谐称为电压谐振。 ( ∨ )

4、并联谐振在L和C支路上出现过流现象,因此常把并谐称为电流谐振。 ( ∨ )

5、串谐电路的特性阻抗

添加图片注释,不超过 140 字(可选)

在数值上等于谐振时的感抗与线圈铜耗电阻的比值。( ∨ )

6、理想并联谐振电路对总电流产生的阻碍作用无穷大,因此总电流为零。 ( ∨ )

7、无论是直流还是交流电路,负载上获得最大功率的条件都是

添加图片注释,不超过 140 字(可选)

。 ( × )

8、RLC多参数串联电路由感性变为容性的过程中,必然经过谐振点。 ( ∨ )

9、品质因数高的电路对非谐振频率电流具有较强的抵制能力。 ( ∨ )

10、谐振状态下电源供给电路的功率全部消耗在电阻上。 ( ∨ )

三、单项选择题 (建议每小题2分)

1、RLC并联电路在f0时发生谐振,当频率增加到2f0时,电路性质呈( B )

A、电阻性 B、电感性 C、电容性

2、处于谐振状态的RLC串联电路,当电源频率升高时,电路将呈现出( B )

A、电阻性 B、电感性 C、电容性

3、下列说法中,( A )是正确的。

A、串谐时阻抗最小 B、并谐时阻抗最小 C、电路谐振时阻抗最小

4、下列说法中,( B )是不正确的。

A、并谐时电流最大 B、并谐时电流最小 C、理想并谐时总电流为零

编辑切换为居中

添加图片注释,不超过 140 字(可选)

四、简答题 (建议每小题3~5分)

1、何谓串联谐振?串联谐振时电路有哪些重要特征?

答:在含有LC的串联电路中,出现了总电压与电流同相的情况,称电路发生了串联谐振。串联谐振时电路中的阻抗最小,电压一定时电路电流最大,且在电感和电容两端出现过电压现象。

2、发生并联谐振时,电路具有哪些特征?

答:电路发生并谐时,电路中电压电流同相,呈纯电阻性,此时电路阻抗最大,总电流最小,在L和C支路上出现过电流现象。

3、为什么把串谐称为电压谐振而把并谐电路称为电流谐振?

答:串联谐振时在动态元件两端出现过电压因之称为电压谐振;并联谐振时在动态元件的支路中出现过电流而称为电流谐振。

4、何谓串联谐振电路的谐振曲线?说明品质因数Q值的大小对谐振曲线的影响。

答:电流与谐振电流的比值随着频率的变化而变化的关系曲线称为谐振曲线。由谐振曲线可看出,品质因数Q值的大小对谐振曲线影响较大,Q值越大时,谐振曲线的顶部越尖锐,电路选择性越好;Q值越小,谐振曲线的顶部越圆钝,选择性越差。

5、串联谐振电路的品质因数与并联谐振电路的品质因数相同吗?

答:串联谐振电路的品质因数

添加图片注释,不超过 140 字(可选)

,并联谐振电路的

添加图片注释,不超过 140 字(可选)

6、谐振电路的通频带是如何定义的?它与哪些量有关?

答:谐振电路规定:当电流衰减到最大值的0.707倍时,I/I0≥0.707所对应的频率范围称为通频带,通频带与电路的品质因数成反比,实际应用中,应根据具体情况选择适当的品质因数Q,以兼顾电路的选择性和通频带之间存在的矛盾。

7、LC并联谐振电路接在理想电压源上是否具有选频性?为什么?

答:LC并联谐振电路接在理想电压源上就不再具有选频性。因为理想电压源不随负载的变化而变化。

编辑切换为居中

添加图片注释,不超过 140 字(可选)

编辑切换为居中

添加图片注释,不超过 140 字(可选)

编辑切换为居中

添加图片注释,不超过 140 字(可选)

编辑切换为居中

添加图片注释,不超过 140 字(可选)

试题库

一、填空题 (建议较易填空每空0.5分,较难填空每空1分)

1、当流过一个线圈中的电流发生变化时,在线圈本身所引起的电磁感应现象称 自感 现象,若本线圈电流变化在相邻线圈中引起感应电压,则称为 互感 现象。

2、当端口电压、电流为 关联 参考方向时,自感电压取正;若端口电压、电流的参考方向 非关联时 ,则自感电压为负。

3、互感电压的正负与电流的 方向 及 同名 端有关。

4、两个具有互感的线圈顺向串联时,其等效电感为

编辑切换为居中

添加图片注释,不超过 140 字(可选)

编辑切换为居中

添加图片注释,不超过 140 字(可选)

8、当实际变压器的 损耗 很小可以忽略时,且耦合系数K= 1 时,称为 全耦合 变压器。这种变压器的 电感 量和 互感 量均为有限值。

9、空芯变压器与信号源相连的电路称为 初级 回路,与负载相连接的称为 次级 回路。空芯变压器次级对初级的反射阻抗Z1r= ω2M2/Z22 。

10、理想变压器次级负载阻抗折合到初级回路的反射阻抗Z1n= n2ZL 。

二、判断下列说法的正确与错误 (建议每小题1分)

1、由于线圈本身的电流变化而在本线圈中引起的电磁感应称为自感。 ( ∨ )

2、任意两个相邻较近的线圈总要存在着互感现象。 ( × )

3、由同一电流引起的感应电压,其极性始终保持一致的端子称为同名端。 ( ∨ )

4、两个串联互感线圈的感应电压极性,取决于电流流向,与同名端无关。 ( × )

5、顺向串联的两个互感线圈,等效电感量为它们的电感量之和。 ( × )

6、同侧相并的两个互感线圈,其等效电感量比它们异侧相并时的大。 ( ∨ )

7、通过互感线圈的电流若同时流入同名端,则它们产生的感应电压彼此增强。( ∨ )

8、空芯变压器和理想变压器的反射阻抗均与初级回路的自阻抗相串联。 ( × )

9、全耦合变压器的变压比与理想变压器的变压比相同。 ( × )

10、全耦合变压器与理想变压器都是无损耗且耦合系数等于1。 ( × )

三、单项选择题 (建议每小题2分)

1、符合全耦合、参数无穷大、无损耗3个条件的变压器称为( B )

A、空芯变压器 B、理想变压器 C、实际变压器

2、线圈几何尺寸确定后,其互感电压的大小正比于相邻线圈中电流的 ( C )

A、大小 B、变化量 C、变化率

编辑切换为居中

添加图片注释,不超过 140 字(可选)

6、符合无损耗、K=1和自感量、互感量均为无穷大条件的变压器是( A )

A、理想变压器 B、全耦合变压器 C、空芯变压器

7、反射阻抗的性质与次级回路总阻抗性质相反的变压器是( C )

A、理想变压器 B、全耦合变压器 C、空芯变压器

8、符合无损耗、K=1和自感量、互感量均为有限值条件的变压器是( B )

A、理想变压器 B、全耦合变压器 C、空芯变压器

四、简答题 (建议每小题3~5分)

1、试述同名端的概念。为什么对两互感线圈串联和并联时必须要注意它们的同名端?

答:由同一电流产生的感应电压的极性始终保持一致的端子称为同名端,电流同时由同名端流入或流出时,它们所产生的磁场彼此增强。实际应用中,为了小电流获得强磁场,通常把两个互感线圈顺向串联或同侧并联,如果接反了,电感量大大减小,通过线圈的电流会大大增加,将造成线圈的过热而导致烧损,所以在应用时必须注意线圈的同名端。

2、何谓耦合系数?什么是全耦合?

答:两个具有互感的线圈之间磁耦合的松紧程度用耦合系数表示,如果一个线圈产生的磁通全部穿过另一个线圈,即漏磁通很小可忽略不计时,耦合系数K=1,称为全耦合。

3、理想变压器和全耦合变压器有何相同之处?有何区别?

答:理想变压器和全耦合变压器都是无损耗,耦合系数K=1,只是理想变压器的自感和互感均为无穷大,而全耦合变压器的自感和互感均为有限值。

4、试述理想变压器和空芯变压器的反射阻抗不同之处。

答:空芯变压器的反射阻抗

添加图片注释,不超过 140 字(可选)

反映了次级回路通过互感对初级回路产生的影响,反射阻抗与初级回路的自阻抗串联,空芯变压器的反射阻抗电抗特性与次级回路阻抗的电抗特性相反;理想变压器反射阻抗

添加图片注释,不超过 140 字(可选)

是负载电阻折合到初级线圈两端的等效阻抗,直接跨接于初级线圈两端,与初级回路相并联,且反射阻抗的性质与负载阻抗的性质相同。

5、何谓同侧相并?异侧相并?哪一种并联方式获得的等效电感量增大?

答:两个互感线圈的同名端两两连在一起与电源相接的方式称为同侧相并,两个异名端两两连在一起与电源相接的方式为异侧相并,同侧相并时获得的等效电感量大。

6、如果误把顺串的两互感线圈反串,会发生什么现象?为什么?

答:两互感线圈顺串时

添加图片注释,不超过 140 字(可选)

,反串时

添加图片注释,不超过 140 字(可选)

,由两式可看出,顺接时等效电感量大,因而感抗大,电压一定时电流小,如果误把顺串的两互感线圈反串,由于等效电感量大大减小,致使通过线圈的电流大大增加,线圈将由于过热而有烧损的危险。故联接时必须注意同名端

编辑切换为居中

添加图片注释,不超过 140 字(可选)

解:图(a)中两线圈的磁场相互增强,因此必为顺串,所以它们相连的一对端子为异名端,如红色圆点所示;图(b)初级线圈的电流在开关闭合一瞬间变化率大于零,所以自感电动势的极性下负上正,阻碍电流的增强,次级电压表反偏,说明互感电压的极性与电压表的极性相反,即上负下正,可判断出同名端如图中红色实心点所示。

编辑切换为居中

添加图片注释,不超过 140 字(可选)

编辑切换为居中

添加图片注释,不超过 140 字(可选)

编辑切换为居中

添加图片注释,不超过 140 字(可选)

编辑切换为居中

添加图片注释,不超过 140 字(可选)

编辑切换为居中

添加图片注释,不超过 140 字(可选)

编辑切换为居中

添加图片注释,不超过 140 字(可选)

7、若 三角 接的三相电源绕组有一相不慎接反,就会在发电机绕组回路中出现

添加图片注释,不超过 140 字(可选)

,这将使发电机因 过热 而烧损。

编辑切换为居中

添加图片注释,不超过 140 字(可选)

编辑切换为居中

添加图片注释,不超过 140 字(可选)

编辑切换为居中

添加图片注释,不超过 140 字(可选)

编辑切换为居中

添加图片注释,不超过 140 字(可选)

编辑切换为居中

添加图片注释,不超过 140 字(可选)

编辑切换为居中

添加图片注释,不超过 140 字(可选)

四、简答题 (建议每小题3~5分)

1、三相电源作三角形联接时,如果有一相绕组接反,后果如何?试用相量图加以分析说明?

答:三相电源作三角形联接时,如果有一相绕组接反,就会在发电机绕组内环中发生较大的环流,致使电源烧损。相量图略。

2、三相四线制供电系统中,中线的作用是什么?

答:中线的作用是使不对称Y接三相负载的相电压保持对称。

3、为什么实用中三相电动机可以采用三相三线制供电,而三相照明电路必须采用三相四线制供电系统?

答:三相电动机是对称三相负载,中线不起作用,因此采用三相三线制供电即可。而三相照明电路是由单相设备接成三相四线制中,工作时通常不对称,因此必须有中线才能保证各相负载的端电压对称。

4、三相四线制供电体系中,为什么规定中线上不得安装保险丝和开关?

答:此规定说明不允许中线随意断开,以保证在Y接不对称三相电路工作时各相负载的端电压对称。如果安装了保险丝,若一相发生短路时,中线上的保险丝就有可能烧断而造成中线断开,开关若不慎在三相负载工作时拉断同样造成三相不平衡。

5、如何计算三相对称电路的功率?有功功率计算式中的cosφ表示什么意思?

答:第一问略,有功功率编者上式中的cosφ称为功率因数,表示有功功率占电源提供的总功率的比重。

6、一台电动机本来为正转,如果把连接在它上面的三根电源线任意调换两根的顺序,则电动机的旋转方向改变吗?为什么?

答:任调电动机的两根电源线,通往电动机中的电流相序将发生变化,电动机将由正转变为反转,因为正转和反转的旋转磁场方向相反,而异步电动机的旋转方向总是顺着旋转磁场的方向转动的。

编辑切换为居中

添加图片注释,不超过 140 字(可选)

编辑切换为居中

添加图片注释,不超过 140 字(可选)

编辑切换为居中

添加图片注释,不超过 140 字(可选)

编辑切换为居中

添加图片注释,不超过 140 字(可选)

编辑切换为居中

添加图片注释,不超过 140 字(可选)

编辑切换为居中

添加图片注释,不超过 140 字(可选)

编辑切换为居中

添加图片注释,不超过 140 字(可选)

第7章 试题库

一、填空题 (建议较易填空每空0.5分,较难填空每空1分)

1、 暂 态是指从一种 稳 态过渡到另一种 稳 态所经历的过程。

2、换路定律指出:在电路发生换路后的一瞬间, 电感 元件上通过的电流和 电容 元件上的端电压,都应保持换路前一瞬间的原有值不变。

3、换路前,动态元件中已经储有原始能量。换路时,若外激励等于 零 ,仅在动态元件 原始能量 作用下所引起的电路响应,称为 零输入 响应。

4、只含有一个 动态 元件的电路可以用 一阶微分 方程进行描述,因而称作一阶电路。仅由外激励引起的电路响应称为一阶电路的 零状态 响应;只由元件本身的原始能量引起的响应称为一阶电路的 零输入 响应;既有外激励、又有元件原始能量的作用所引起的电路响应叫做一阶电路的 全 响应。

5、一阶RC电路的时间常数τ = RC ;一阶RL电路的时间常数τ = L/R 。时间常数τ的取值决定于电路的 结构 和 电路参数 。

6、一阶电路全响应的三要素是指待求响应的 初始 值、 稳态 值和 时间常数 。

编辑切换为居中

添加图片注释,不超过 140 字(可选)

8、在电路中,电源的突然接通或断开,电源瞬时值的突然跳变,某一元件的突然接入或被移去等,统称为 换路 。

9、换路定律指出:一阶电路发生的路时,状态变量不能发生跳变。该定律用公式可表示为 iL(0+)= iL(0-) 和 uC(0+)= uC(0-) 。

10、由时间常数公式可知,RC一阶电路中,C一定时,R值越大过渡过程进行的时间就越 长 ;RL一阶电路中,L一定时,R值越大过渡过程进行的时间就越 短 。

二、判断下列说法的正确与错误 (建议每小题1分)

1、换路定律指出:电感两端的电压是不能发生跃变的,只能连续变化。 ( × )

2、换路定律指出:电容两端的电压是不能发生跃变的,只能连续变化。 ( ∨ )

3、单位阶跃函数除了在t=0处不连续,其余都是连续的。 ( ∨ )

4、一阶电路的全响应,等于其稳态分量和暂态分量之和。 ( ∨ )

5、一阶电路中所有的初始值,都要根据换路定律进行求解。 ( × )

编辑切换为居中

添加图片注释,不超过 140 字(可选)

三、单项选择题 (建议每小题2分)

1、动态元件的初始储能在电路中产生的零输入响应中( B )

A、仅有稳态分量 B、仅有暂态分量 C、既有稳态分量,又有暂态分量

2、在换路瞬间,下列说法中正确的是( A )

A、电感电流不能跃变 B、电感电压必然跃变 C、电容电流必然跃变

3、工程上认为R=25Ω、L=50mH的串联电路中发生暂态过程时将持续( C )

A、30~50ms B、37.5~62.5ms C、6~10ms

编辑切换为居中

添加图片注释,不超过 140 字(可选)

7、图3.6所示电路,在开关S断开时,电容C两端的电压为( A )

A、10V B、0V C、按指数规律增加

四、简答题 (建议每小题3~5分)

1、何谓电路的过渡过程?包含有哪些元件的电路存在过渡过程?

答:电路由一种稳态过渡到另一种稳态所经历的过程称过渡过程,也叫“暂态”。含有动态元件的电路在发生“换路”时一般存在过渡过程。

2、什么叫换路?在换路瞬间,电容器上的电压初始值应等于什么?

答:在含有动态元件L和C的电路中,电路的接通、断开、接线的改变或是电路参数、电源的突然变化等,统称为“换路”。根据换路定律,在换路瞬间,电容器上的电压初始值应保持换路前一瞬间的数值不变。

3、在RC充电及放电电路中,怎样确定电容器上的电压初始值?

答:在RC充电及放电电路中,电容器上的电压初始值应根据换路定律求解。

4、“电容器接在直流电源上是没有电流通过的”这句话确切吗?试完整地说明。

答:这句话不确切。未充电的电容器接在直流电源上时,必定发生充电的过渡过程,充电完毕后,电路中不再有电流,相当于开路。

5、RC充电电路中,电容器两端的电压按照什么规律变化?充电电流又按什么规律变化?RC放电电路呢?

答:RC充电电路中,电容器两端的电压按照指数规律上升,充电电流按照指数规律下降,RC放电电路,电容电压和放电电流均按指数规律下降。

6、RL一阶电路与RC一阶电路的时间常数相同吗?其中的R是指某一电阻吗?

答:RC一阶电路的时间常数τ=RC,RL一阶电路的时间常数τ=L/R,其中的R是指动态元件C或L两端的等效电阻。

7、RL一阶电路的零输入响应中,电感两端的电压按照什么规律变化?电感中通过的电流又按什么规律变化?RL一阶电路的零状态响应呢?

答:RL一阶电路的零输入响应中,电感两端的电压和电感中通过的电流均按指数规律下降;RL一阶电路的零状态响应中,电感两端的电压按指数规律下降,电压事通过的电流按指数规律上升。

8、通有电流的RL电路被短接,电流具有怎样的变化规律?

答:通过电流的RL电路被短接,即发生换路时,电流应保持换路前一瞬间的数值不变。

编辑切换为居中

添加图片注释,不超过 140 字(可选)

10、怎样计算RL电路的时间常数?试用物理概念解释:为什么L越大、R越小则时间常数越大?

答:RL电路的时间常数τ=L/R。当R一定时,L越大,动态元件对变化的电量所产生的自感作用越大,过渡过程进行的时间越长;当L一定时,R越大,对一定电流的阻碍作用越大,过渡过程进行的时间就越长。

编辑切换为居中

添加图片注释,不超过 140 字(可选)

解:开关闭合前,iL(0-)=0,开关闭合电路发生换路时,根据换路定律可知,电感中通过的电流应保持换路前一瞬间的数值不变,即iL(0+)=iL(0-)=0

2、求图5.2所示电路中开关S在“1”和“2”位置时的时间常数。

解:开关S在位置“1”时,τ1=0.2/2=0.1ms;开关在位置“2”时,τ2=0.2/(3+2)=0.04ms

编辑

添加图片注释,不超过 140 字(可选)

3、图5.3所示电路换路前已达稳态,在t=0时将开关S断开,试求换路瞬间各支路电流及储能元件上的电压初始值。

解:uC(0-)=4V,uC(0+)=uC(0-)=4V

i1(0+)= iC(0+)=(6-4)/2=1A i2(0+)=0

4、求图5.3所示电路中电容支路电流的全响应。

解:换路后的稳态值:uC(∞)=6V,时间常数τ=RC=2×0.5=1μs

所以电路全响应:uC(t)=uC(∞)+[uC(0+)-uC(∞)]e-t/τ=6-2e-1000000tV

第8章 试题库

一、填空题 (建议较易填空每空0.5分,较难填空每空1分)

1、一系列 最大值 不同, 频率 成整数倍的正弦波,叠加后可构成一个 非正弦 周期波。

2、与非正弦周期波频率相同的正弦波称为非正弦周期波的 基 波;是构成非正弦周期波的 基本 成分;频率为非正弦周期波频率奇次倍的叠加正弦波称为它的 奇 次谐波;频率为非正弦周期波频率偶次倍的叠加正弦波称为它的 偶 次谐波。

3、一个非正弦周期波可分解为无限多项 谐波 成分,这个分解的过程称为 谐波 分析,其数学基础是 傅里叶级数 。

4、所谓谐波分析,就是对一个已知 波形 的非正弦周期信号,找出它所包含的各次谐波分量的 振幅 和 频率 ,写出其傅里叶级数表达式的过程。

5、方波的谐波成分中只含有 正弦 成分的各 奇 次谐波。

6、如果非正弦波的后半周与波形的前半周具有 镜象 对称关系,就具有奇次对称性,具有奇次对称性的周期信号只具有 奇 次谐波成分,不存在 直流 成分和 偶 次谐波成分,其波形对 原点 对称。

7、若非正弦周期信号波形的后半周完全重复前半周的变化,就具有 偶 次对称性,这种非正弦波除了含有 直流 成分以外,还包含一系列的 偶 次谐波,这种特点的非正弦波的波形对 纵轴 对称。

8、频谱是描述非正弦周期波特性的一种方式,一定形状的波形与一定结构的 频谱 相对应。非正弦周期波的频谱是 离散 频谱。

9、非正弦周期量的有效值与 正弦 量的有效值定义相同,但计算式有很大差别,非正弦量的有效值等于它的各次 谐波 有效值的 平方和 的开方。

10、只有 同频率 的谐波电压和电流才能构成平均功率,不同 频率 的电压和电流是不能产生平均功率的。数值上,非正弦波的平均功率等于它的 各次谐波单独作用时 所产生的平均功率之和。

二、判断下列说法的正确与错误 (建议每小题1分)

1、非正弦周期波各次谐波的存在与否与波形的对称性无关。 ( × )

2、正确找出非正弦周期量各次谐波的过程称为谐波分析法。 ( ∨ )

3、具有偶次对称性的非正弦周期波,其波形具有对坐标原点对称的特点。 ( × )

4、方波和等腰三角波相比,含有的高次谐波更加丰富。 ( ∨ )

5、方波和等腰三角波相比,波形的平滑性要比等腰三角波好得多。 ( × )

6、非正弦周期量的有效值等于它各次谐波有效值之和。 ( × )

7、非正弦周期量作用的电路中,电感元件上的电流波形平滑性比电压差。( × )

8、非正弦周期量作用的线性电路中具有叠加性。 ( ∨ )

9、非正弦周期量作用的电路中,电容元件上的电压波形平滑性比电流好。( ∨ )

10、波形因数是非正弦周期量的最大值与有效值之比。 ( × )

三、单项选择题 (建议每小题2分)

1、任意给出几种常见的非正弦周期信号波形图,你能否确定其傅里叶级数展开式中有无恒定分量( B )

A、不能 B、能 C、不确定

2、某方波信号的周期T=5μs,则此方波的三次谐波频率为( C )

A、106Hz B、2×106Hz C、6×105Hz

3、周期性非正弦波的傅里叶级数展开式中,谐波的频率越高,其幅值越( B )

A、大 B、小 C、无法判断

4、一个含有直流分量的非正弦波作用于线性电路,其电路响应电流中( A )

A、含有直流分量 B、不含有直流分量 C、无法确定是否含有直流分量

5、非正弦周期量的有效值等于它各次谐波( B )平方和的开方。

A、平均值 B、有效值 C、最大值

6、非正弦周期信号作用下的线性电路分析,电路响应等于它的各次谐波单独作用时产生的响应的( B )的叠加。

A、有效值 B、瞬时值 C、相量

编辑切换为居中

添加图片注释,不超过 140 字(可选)

8、已知基波的频率为120Hz,则该非正弦波的三次谐波频率为( A )

A、360Hz B、300Hz C、240Hz

四、简答题 (建议每小题3~5分)

1、什么叫周期性的非正弦波,你能举出几个实际中的非正弦周期波的例子吗?

答:周而复始地重复前面循环的非正弦量均可称为周期性非正弦波,如等腰三角波、矩形方波及半波整流等。

2、周期性的非正弦线性电路分析计算步骤如何,其分析思想遵循电路的什么原理?

答:周期性的非正弦线性电路的分析步骤为:

①根据已知傅里叶级数展开式分项,求解各次谐波单独作用时电路的响应;

②求解直流谐波分量的响应时,遇电容元件按开路处理,遇电感元件按短路处理;

③求正弦分量的响应时按相量法进行求解,注意对不同频率的谐波分量,电容元件和电感元件上所呈现的容抗和感抗各不相同,应分别加以计算;

④用相量分析法计算出来的各次谐波分量的结果一般是用复数表示的,不能直接进行叠加,必须要把它们化为瞬时值表达式后才能进行叠加。

周期性非正弦线性电路分析思想遵循线性电路的叠加定理。

3、非正弦周期信号的谐波分量表达式如何表示?式中每一项的意义是什么?

答:非正弦周期信号的谐波分量表达式是用傅里叶级数展开式表示的,式中的每一项代表非正弦量的一次谐波。

4、何谓基波?何谓高次谐波?什么是奇次谐波和偶次谐波?

答:频率与非正弦波相同的谐波称为基波,它是非正弦量的基本成分;二次以上的谐波均称为高次谐波;谐波频率是非正弦波频率的奇数倍时称为奇次谐波;谐波频率是非正弦波频率的偶数倍时称为偶次谐波。

5、能否定性地说出具有奇次对称性的波形中都含有哪些谐波成分?

答:具有奇次对称性的非正弦周期波中,只具有奇次谐波成分,不存在直流成分及偶次谐波成分。

6、“只要电源是正弦的,电路中各部分电流及电压都是正弦的”说法对吗?为什么?

答:说法不对!电源虽然是正弦的,但是如果电路中存在非线性元件,在非线性元件上就会出现非正弦响应。

7、波形的平滑性对非正弦波谐波有什么影响?为什么?

答:非正弦波所包含的高次谐波的幅度是否显著,取决于波形的平滑性,因此波形的平滑性对非正弦波谐波影响很大。如稳恒直流电和正弦波,平滑性最好,不含有高次谐波;而方波和尖脉冲波,由于平滑性极差而含有丰富的高次谐波。

8、非正弦波的“峰值越大,有效值也越大”的说法对吗?试举例说明。

答:这种说法对正弦量是对的,对非正弦量就不对。例如一个方波的峰值和等腰三角波的峰值相比,如果等腰三角波的峰值大于方波,但等腰三角波的有效值不一定比方波大。

编辑切换为居中

添加图片注释,不超过 140 字(可选)

编辑切换为居中

添加图片注释,不超过 140 字(可选)

编辑切换为居中

添加图片注释,不超过 140 字(可选)

编辑切换为居中

添加图片注释,不超过 140 字(可选)

编辑切换为居中

添加图片注释,不超过 140 字(可选)

编辑切换为居中

添加图片注释,不超过 140 字(可选)

编辑切换为居中

添加图片注释,不超过 140 字(可选)

大学电工基础与电子设计试题及答案,分享几个实用搜题和学习工具

在现代高等教育中,信息爆炸的时代给大学生的学习带来了无数的挑战。为了更好地应对这些挑战,搜题软件应运而生。这些软件通过智能搜索和人工智能技术,帮助大学生快速找到问题的答案,提供详细的解析和学习资源。今天,我将为大家推荐几款备受大学生欢迎的搜题软件,让我们一起来了解它们的功能和优势。

1.快练题

这是一个网站

找题的网站海量题库,在线搜题,快速刷题~为您提供百万优质题库,直接搜索题库名称,支持多种刷题模式:顺序练习、语音听题、本地搜题、顺序阅读、模拟考试、组卷考试、赶快下载吧!

2.彩虹搜题

这是微信公众号

总体来说还是很不错的,题库虽然不是特别全,但是大部分网课答案能够查询到,最重要的是免费的

下方附上一些测试的试题及答案

1、以下不能通过视口配置面板进行设置的项目有( )

A:显示性能 B:视口布局 C:时间配置 D:安全框

答案:时间配置

2、铸造时,灰铸铁比铸钢的流动性_,浇铸温度_。

答案:好 低

3、下列与有性生殖过程过程密切相关的细胞分裂方式是( )。

A:有丝分裂 B:无丝分裂 C:减数分裂 D:其他三种都正确

答案:减数分裂

4、中国大学MOOC: 有关循环神经网络激活函数的说法,以下哪个是错误的?

答案:Tanh函数相对于Sigmoid函数来说梯度较小,收敛速度更快更慢

5、以下几种变速器类型中文名称与英文缩写对应错误的一项是

A:CVT—金属带无级变速器 B:DCT—双离合变速器 C:AT—手动变速器 D:AMT—电控机械式自动变速器

答案:AT—手动变速器

6、知觉处理物体在空间的位移等

答案:运动

7、市场经济有效运作的关键因素是( )。

A:对财产所有权的保护 B:公平和自由交易 C:准确透明的信息 D:没有交易成本

答案:对财产所有权的保护 ■公平和自由交易 ■准确透明的信息

8、心理学家弗洛姆曾说过,爱的能力是需要( )的。

A:不断学习 B:不断模仿 C:不断尝试 D:不断改正

答案:不断学习

9、医疗领域使用的CT中包含的计算机是___。

A:专用型计算机 B:通用型计算机 C:超级计算机 D:分布式计算机

答案:专用型计算机

10、刘羲仲不理解《资治通鉴》为何载寇祖仁事的原因在于,他没有彻底理解《资治通鉴》史料取舍的标准。

答案:正确

11、紫杉醇难溶于水,其注射液使用的助溶剂可以引起血管舒张、血压降低和过敏反应等副作用的是()。

A.聚山梨酯80 B.注射用卵磷脂 C.普朗尼克 D.泊洛沙姆 E.聚环氧化蓖麻油

答案:A

12、老子所谓的域中之大包括哪些?

A:道 B:天 C:地 D:人

答案:道;天;地;人

13、沙门菌分类的主要依据是

A:染色特性 B:毒素分子量 C:抗原构造 D:溶血现象

答案:抗原构造

14、绩效考评对于员工个人是( )对自己工作状况及其成果的评价。

A:上级和同事 B:上级和下级 C:下级和同事 D:上级和平级

答案:上级和同事

15、所谓变压器的等效电路是指能够反映变压器内部电磁关系且只由阻抗串并联组成的一个独立电路。

A:对 B:错

答案:对

3.众课帮

这是一个软件app

一款考试找答案工具 ,支持拍照、语音、文字三种搜题方式。拥有海量题库,覆盖了大学生网课、计算机、公务员、医学、外语等热门考试题目。

4.解题鱼

这是一个网站

旨在为广大考生提供高效的智能题库备考服务,全面覆盖财经类、建筑类、资格类、医卫类、计算机类等领域。题王拥有优质丰富的学习资料和备考阶段的高效服务

5.易解题

这是一个网站

是我在百度搜题,经常会出现的一个网站,它里面有很多的大学课程习题,各类考试的答案,包括了各个专业和行业,无论你是学计算机还是医学,都能找

6.微信读书

微信读书是腾讯官方出品的一款在线小说阅读APP,它的书库储量非常丰富,我们可以直接通过搜索获取到想要阅读的书籍,喜欢阅读古今中外名著书籍的小伙伴值得尝试。

我们可以将想要阅读的书籍加入书架,还能够设置虚拟书架,这样你的好友就不知道你在读什么书了。

7.滑记

你可以选择一个学习类别,部分学习类别包括了多个学习卡包,每个学习卡包提供了简介和目录,每个学习卡包有多张学习卡片。

里面有很多的记忆组合包,包括但不限于:大学政治、大学英语、翻译硕士

通过合理运用这些日常学习工具,你可以更好地管理时间、提高记忆力和加深对知识的理解。

相关问答

基础 学习 电子电路和 单机片,需要什么资料?

模电、数电并不一定是最佳的选择如果是在三年之前回答这个问题,我一定是让你学习《模拟电子技术》、《数字电子技术》和51单片机基础,但是现在的话我不这么认...

什么是电阻,它的作用是什么,在 电路 中又起什么作用?

电阻器是一种在电子电路中应用最多、最常用的电子元件之一,通常简称为电阻。电阻器在电路中是一种控制电路中电流大小的电子元件,通过控制电流,达到如下目的:...

【九年级上册物理 电路 题目(附答案)】作业帮

[最佳回答]一、填空题1.一只标有“PZ220-40”的白炽灯,其额定电压为V,额定功率为W,正常工作5h消耗电能为kW•h.2.两个电阻R1=10Ω,R2=15Ω,若把它们串联后...

【什么 电子 原件并联在 电路 中能达到省电的目的有次逛夜市,看...

[最佳回答]那小玩意一插到电源上就能工作了,能工作就可以发射电磁波了.当然一定超级简单,否则亏本啦.只要电阻,电感,电容,能谐振发射电磁波即可.他的电表里既...

通信工程主修课程有哪些?

通信工程专业本科阶段专业主要课程有以下:电路分析、信号与系统、模拟电子技术、数字电子技术、数字信号处理、微机原理与接口技术、电磁场与电磁波、通信原理...

电路和电子 有什么区别?

电路是各种电器元件通过导线连接而来,必须有电源,有导线,有负载。开关控制电路的通断。电子是完全不同领域的概念,物质是有微小粒子构成,基本单位是原子,...

电路 的基本作用是什么?

基本作用是:1、传输和转换电能。2、传递和处理信号。电流流过的回路叫做电路,又称导电回路。根据一定的任务,把所需的器件,用导线相连即组成电路。电路是电力...

应用电子 技术专业要学哪些课程?

应用电子技术专业需要学习的课程主要有电子技术课程、信号与系统课程、自动控制原理课程、高频电子线路课程、电测技术课程、电声技术课程、模拟电路课程、数...

本人电气工程专业本科生,都说《模拟 电子技术 》是大学最难的...

模电确实是让很多人头疼的一门课,模电学习有3大坎;1、三极管和FET,很多人不理解3极管的工作原理,自然也就不理解FET了。其实3极管只要多去运用,就会...

大学里学的数字 电路 ,模拟 电路 以后都有哪些作用?

数字电路和模拟电路不仅是电气自动化工程的基础而且是人工智能的基础的基础所涉及的面是相当广曾经在七十年代开始应用在集成电路上是小型计算机上的重要组...

标签:

相关阅读