电子电路应用制作 电阻器的15个典型应用电路

小编头像

小编

管理员

发布于:2026年04月14日

84 阅读 · 0 评论

电阻器的15个典型应用电路

纯电阻电路

纯电阻电路是指电路中只含有电阻元件的电路,电路中能量的转化是从电能转化到另一种能量,二者是一一对应的关系。例如:白炽灯、电炉、熨斗等都可以看作纯电阻电路。在纯电阻电路中欧姆定律和焦耳定律成立。然而任何一种电路都可以简化为串联或并联电路。

(1)纯电阻串联电路

如图3-30所示,电路中有两个电阻R1和R2,两个电阻头尾相连,这种连接方式就是串联。在这种电路中,为了便于分析,要抓住阻值大的电阻进行着力分析,如果电路中某个电阻的阻值远小于其他电阻的阻值,那么这个电阻就可以忽略不计,可以看成该电阻两个端点间是由导线接通的。

图3-30 纯电阻串联电路

(2)纯电阻并联电路

如图3-31所示,电路中两个电阻R1和R2并排连接,构成了并联电路。在这种电路中,如果某个电阻的阻值远大于其他电阻的阻值,那么此电阻器就可以忽略不计。这点与串联电路正好相反。

电阻分压电路

在分压电路中,电阻分压电路是最基本的分压电路。有时候电路中也会有电容、二极管、晶体管等电子元器件构成分压电路。分压电路有两个关键点:一个是输入端,另一个是输出端。

如图3-32所示,电路中输入电压Ui加在电阻R1和R2上,输出电压UO为串联电路中电阻R2上的电压,这种连接方式的电路就称为分压电路。

图3-31 纯电阻并联电路

图3-32 电阻分压电路

电阻分流电路

如图3-33所示,电阻R1与R2并联,电路中流经R2的总电流被R1分担了一部分,这种类型的电路就是分流电路。如果电阻R2是其他电子元器件,那么R1就为该元器件分担了电流,从而防止过大电流通过该元器件,对其起到保护作用。所以R1又称分流保护电阻。

电阻隔离电路

(1)典型电阻隔离电路

如图3-34所示,是典型电阻隔离电路,电路中电阻R1将电路中A、B两点隔离,使两点的电压大小不等,但是这两点之间还是通路,而这样的电路就称为隔离电路,这种情况也是最简单的隔离电路。

图3-33 电阻分流电路

图3-34 典型电阻隔离电路

(2)自举电路中电阻隔离电路

如图3-35所示,是自举电路中实用电阻隔离电路,它能提高大信号下的半周信号幅度,电路中的Rl就是隔离电阻。

电路中,R1用来将B点的直流电压与直流工作电压+V隔离,使B点直流电压有可能在某瞬间超过+V。

图3-35 电阻隔离电路

(3)信号源电阻隔离电路

如图3-36所示是信号源电阻隔离电路。电路中的信号源1放大器通过R1接到后级放大器输入端,信号源2放大器通过R2接到后级放大器输入端,信号源放大器输出端通过R1和R2合并成一路。如果电路中没有R1和R2这两个电阻,那么信号源1放大器的输出电阻就成为信号源2放大器负载的一部分,信号源2放大器的输出电阻就成为信号源1放大器负载的一部分,这样两个信号源放大器之间就会相互影响,不利于电路的稳定工作。

图3-36 信号源电阻隔离电路

加了隔离电阻R1和R2后,两个信号源放大器的输出端之间就被隔离开,两个信号源放大器输出的信号电流可以不流入对方的放大器输出端,而更好地流到后级放大器输入端,实现电路的隔离作用,这样两个信号源放大器之间就不会相互影响。

电流变化转换成电压变化的电路

在电子电路中,为数不少的情况需要电路中电流的变化转换成相同的电压变化,这时可以用电阻电路来完成。

晶体管的集电极负载电阻电路

如图3-37所示,该图是运用电阻将电流变化转换成电压变化的典型电路,这也是晶体管的集电极负载电阻电路。

当电流流过R1时,在R1上产生电压降,使R1的下端电压发生改变。电路中“R1上的电压”加上“A点电压”就是“+V”,当电阻R1阻值一定,流过R1的电流增大时,在R1上的电压降增大,VT1集电极电压下降;当流过R1的电流减小时,在R1上的电压降减小,VT1集电极电压升高。

音量调节限制电阻电路和阻尼电阻电路

(1)音量调节限制电阻电路

音量调节限制电阻电路是使音量控制的范围受到限制的一种常见的电路,在这种电路的限制之下音量不能调到最大,也不能调到最小。这一电路用在一些特殊的音量控制场合,防止由于音量控制不当造成对其他电路工作状态的影响。

如图3-38所示,该图就是音量调节限制电阻电路。

图3-37 晶体管的集电极负载电阻电路

图3-38 音量调节限制电阻电路

当RP1调到最下端时音量不能达到最小(相比于没有R2时的电路),因为电阻R2上存在一些信号电压降,而这一信号电压降经RP1动片被送到了后面的放大器,所以电路无法将音量关死,达到限制最小音量的目的。

当RP1调到最上端时音量不能达到最大(相比于没有R1时的电路),因为电阻R1上存在一些信号电压降,达到限制最大音量的目的。

(2)阻尼电阻电路

图3-39所示为阻尼电阻电路,电路中的L1和C1并联,构成了LC谐振电路,阻尼电阻R1与之并联在这一电路上。

图3-39 阻尼电阻电路

L1和C1谐振电路中,谐振电路的品质因数Q值(一种表征谐振特性的参数)越大,谐振信号能量损耗越小。由于电阻对振荡信号存在损耗作用,因此加入阻尼电阻R1后,Q值会减小。R1阻值越小,对谐振信号能量的损耗越大,Q值越小,反之则越大。

电阻消振和负反馈电阻电路

(1)电阻消振电路

在放大器电路中,如果存在电路设计不合理等因素会出现高频或超高频的啸叫,这种现象称为振荡,消除这种有害振荡的电路称为消振电路。

图3-40所示为电阻消振电路,电路中的R1称为消振电阻,它通常接在放大管基极回路中,或两级放大器电路之间,而电阻R1的作用就是用来消耗可能产生的高频振荡信号能量,从而达到消振目的。

(2)负反馈电阻电路

如图3-41所示为晶体管偏置电路中的负反馈电阻电路,这是一个比较常见的负反馈电阻电路,这种电路是应用很广、种类很多、分析较困难的电路。图中电阻R1接在VT1基极与集电极之间,基极是VT1的输入端,集电极是VT1的输出端,VT1工作在放大状态,是一个放大器。当一个元器件(电阻)接在一个放大器输入端与输出端之间时,该元器件就构成了反馈电路,电路中的R1就是馈电阻,R1就与之构成了负反馈电路。当晶体管VT1工作在放大状态时,需要给VT1基极加上一个大小合适的直流电压,以便VT1产生一个大小适当的基极电流,电阻R1提供基极回路电流,电流通过R2,然后通过R1回到基极。

图3-40 电阻消振电路

图3-41 负反馈电路

恒流录音电阻电路

如图3-42所示为恒流录音电阻电路。其中R1是恒流录音电阻,HD1是录音磁头,从图中可以看出,它是录音输出放大器的负载。

图3-42a中,录音磁头是录音输出放大器的负载,由于录音磁头是一个电感性负载,当频率升高时,它的感抗会增大,这样当录音信号电压一定时,显然流过录音磁头的高频信号电流小于低频信号电流,将造成高频录音信号的损耗。为此,要求录音电流不能随录音信号频率的高低变化而变化,这由恒流录音电阻电路来完成。

在录音输出放大器输出回路中串联一个电阻R1,R1称为恒流录音电阻。在加入R1之后,录音输出放大器的负载阻抗为恒流电阻R1的阻值与录音磁头感抗之和(Z=R1+XL)。在电路设计时,令R1的阻值远大于(5倍以上)录音磁头的最大感抗XL(XL是最高录音信号频率下的感抗),这样其阻抗值也就约等于R1的电阻值(即Z≈R1)。

图3-42 恒流录音电阻电路

热敏电阻开水自动报警电路

如图3-43所示为PTC热敏电阻开水自动报警电路。电路中,S1为电源开关,R2是PTC热敏电阻器,用来监测水温。A1是二输入四与非门CMOS集成电路。B为蜂鸣器,在得到驱动信号后可以发出蜂鸣声。

接通电源后,S1接通,电路进入工作状态。当水温较低时,热敏电阻器R2阻值较小,集成电路A1的⑩脚上直流电压较低,不足以使集成电路A1内部的振荡器工作,此时蜂鸣器B不工作。

图3-43 热敏电阻开水自动报警电路

当水开了之后,热敏电阻器R2阻值已增大许多,即集成电路A1的⑥脚上直流电压高于阈值电压,使集成电路A1内部的振荡器工作,此时集成电路A1的⑥脚输出信号,驱动蜂鸣器B发出声响进行报警,表示水已烧开。

气敏电阻自动监测电路

气敏电阻是一种半导体敏感元件,它是利用半导体材料对气体的吸附而使自身电阻率发生变化的机理从而进行测量的元件。制作气敏电阻的氧化物半导体材料主要有SnO2、ZnO及Fe2O3等。为了提高某种气敏元件对某些气体成分的选择性和灵敏度,材料中还掺入催化剂,它们的添加物质不同,能检测的气体也不同。

如图3-44所示为气敏电阻监测电路。其中Ut为气敏电阻的加热电源,U+为气敏电阻的测量电源。

图3-44 气敏电阻监测电路

工作原理:该设备中传感器连接加热丝,在室温下吸收某种气体后,其电导率变化不大,输出电压很小且几乎不变。若保持气体浓度不变,输出电压随温度升高而增大,即该气敏元件的电导率变化很大,灵敏度大幅提高。因此气敏电阻工作时必须加热,它能烧去气敏元件上附着的油污、尘埃等,起到清洗作用,并加速被测气体的吸附、脱出过程。

光敏电阻控制电路

如图3-45所示为一种光控开关电路,这一光控开关电路通常在一些楼道、路灯等公共场所会用到。它的主要功能元件就是光敏电阻,它在天黑时会自动开灯,天亮时自动熄灭。电路中,VS1是晶闸管,R1是光敏电阻器。

图3-45 光控开关电路

当光线亮时,光敏电阻器R1阻值小,220V交流电压经VD1整流后的单向脉冲性直流电压在RP1和Rl分压后的电压小,加到晶闸管VS1门极的电压小,这时晶闸管VS1不能导通,所以灯HL回路无电流,灯不亮。

当光线暗时,光敏电阻器Rl阻值大,RP1和Rl分压后的电压大,加到晶闸管VS1门极的电压大,这时晶闸管VS1进入导通状态,所以灯HL回路有电流流过,灯点亮。

湿敏电阻应用电路

湿敏电阻是一种对环境湿度敏感的元件,它的电阻值能随着环境相对湿度的变化而变化。湿敏电阻器应用电路广泛应用于洗衣机、空调器、录音机、微波炉等家用电器及工业、农业等方面,以作湿度检测和湿度控制用。

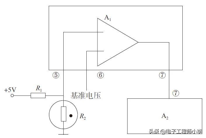
图3-46所示为湿度传感电路。电路中,R2是湿敏电阻器,A1是一个电压比较器集成电路,A2是CPU。

图3-46 湿度传感电路

电压比较器集成电路:当A1的⑤脚直流电压大于⑥脚直流电压时,⑦脚输出高电平给集成电路A2的⑦脚。当A1的⑤脚直流电压低于⑥脚直流电压时,⑦脚输出低电平给集成电路A2的⑦脚。由此可知,集成电路A1的⑦脚输出状态由⑤脚和⑥脚之间的相对电压高低决定。

集成电路A1的⑥脚上接有基准电压,所谓基准电压就是一个电压大小恒定的直流电压,即集成电路A1的⑥脚直流电压大小是不变的。

电阻R1和R2构成对+5V直流电压的分压电路,其分压输出的直流电压加到集成电路A1的⑤脚上。当相对湿度不大时,湿敏电阻器R2阻值比较大,这时集成电路A1的⑤脚直流电压大于⑥脚直流电压,⑦脚输出高电平给集成电路A2的⑦脚。当相对湿度较大时,湿敏电阻器R2阻值比较小,这时集成电路A1的⑤脚直流电压小于⑥脚直流电压,⑦脚输出低电平给集成电路A2的⑦脚。

磁敏电阻应用电路

图3-47所示为磁敏电阻应用电路,电路中R1和R2是磁敏电阻器,A1是电压比较器。电路中R3和R4构成了一个直流电压的分压电路,而输出电压通过电阻R6加到了集成电路A1的②号脚上,称为基准电压。

当磁场发生改变时,磁敏电阻R1、R2分压电路的输出电压大小也随之变化,这一变化的电压通过电阻R5加到集成电路A1的①脚,A1的输出端③脚电压的大小也随着做相应的变化,这一变化经C1耦合得到输出信号U0。

图3-47 磁敏电阻应用电路

压敏电阻应用电路

压敏电阻应用电路即电路浪涌和瞬变防护时的电路。对于压敏电阻的应用连接,大致可分为四种类型:电源线之间或者和大地之间的连接、负荷中的连接、接点之间的连接、半导体器件的保护连接。而在生活中最具有代表性的使用场合是在电源线及长距离传输的信号线遇到雷击而使导线存在浪涌脉冲等情况下对电子产品起保护作用。

图3-48所示为开关电源交流输入回路瞬变抑制器中的压敏电阻器电路。电路中R1是压敏电阻器,当电路中电压出现峰值时,压敏电阻可以抑制掉该电压,R1的阻值迅速减小,几乎可以看成一根导线直接导通状态,从而起到保护电路的作用。

图3-48 压敏电阻应用电路

可变电阻典型应用电路

1.晶体管偏置电路中可变电阻电路

如图3-49所示为可变电阻的分压偏置电路,电路中晶体管VT1构成高频放大器,RP1、R1和R2构成分压偏置电路。分压电路的输出电压大小由RP1、Rl和R2三个电阻的阻值大小决定,Rl和R2是固定电阻,调节可变电阻器RP1,进而调节VT1静态工作电流的大小,电流的大小决定着VT1是否能工作在最佳状态。

图3-49 可变电阻分压偏置电路

2.立体声平衡控制可变电阻电路

如图3-50所示为音响放大器中的左、右声道增益平衡调整电路。电路中的RP1是可变电阻器,与R1串联。

音响电路中,对于双声道放大器而言,严格要求左、右声道放大器增益相等(平衡),但是电路元器件的离散性导致左、右声道放大器增益不可能相等。为了保证左、右声道放大器的增益相等,需要设置左、右声道增益平衡调整电路,简称立体声平衡电路。

在右声道电路中,R2的阻值确定,使右声道放大器增益固定。以右声道放大器增益为基准,改变RP1阻值,使左声道放大器的增益等于右声道放大器的增益,就能实现左、右声道放大器的增益相等。

图3-50 可变电阻应用电路

前方高能,请注意了

这是一个神奇的圈子,这里有最优质的资源,这里有一起努力学习的小伙伴,这里还有不一样的风景。现在活动促销中,入圈前50名的小伙伴,仅需1块钱即可成为永久会员,后面将会恢复原价,想加入趁现在!

电子技术:20个常用的模拟电路,电子工程师总结的经验精华,干货

模拟电路相信很多的电子电力技术人员都知道,而且非常熟悉,模拟电路广泛的应用在了计算机,自动化控制和电子电路中,一点都不夸大的说,模拟电路几乎贯穿着整个电子技术的发展,应用非常的普遍,今天我们就重点来看看常用的20个经典的模拟电路:

相关问答

电子电路应用 中两种接法?

电路连接一般有串联和并联两种基本接法,家用照明一般都是用并联连接方式。1.串联电路:把元件逐个顺次连接起来组成的电路。特点是:流过一个元件的电流同时也...

电子技术 应用 是学什么课程有哪些

[回答]计算机操作及应用、电工原理、电子技术、逻辑设计、微机原理、高频电路、电子线路CAD、电子线路设计与工艺、PCB设计与制作、工业电视、检测技术、...

电子 技术 应用 是什么?

应用电子技术培养目标:本专业培养德、智、体、美、劳全面发展,具有大学本(专)科文化层次,掌握电子技术、信号与系统、通讯技术、计算机应用技术的基础知识...

电子 技术的 应用 有哪些?

包括电路基础,高频电子线路,通信技术,SMT技术,电子专业英语,单元电路设计,电视技术,单片机技术,EDA与VHDL等应用电子技术是一门学科,培养具备智能电子产...包...

【请你设计一个 电路 ,使直流电动机在人的操作下既能正转,也...

[最佳回答]如图甲或乙所示.该装置可用于控制电力机车的进退.解题指导:这是一道问题解决题.我们知道,直流电动机的转动方向跟电流方向和磁感线方向有关.很明...

二极管在电力 电子电路 中的三种用途?

二极管在电路中的作用是单向导电。一般可用于:检波、整流、稳压等电路。二极管是最常用的电子元件之一,他最大的特性就是单向导电,也就是电流只可以从二极管...

应用电子 技术是学什么?

关于这个问题,应用电子技术是研究如何利用电子元器件、电路、系统和软件等技术,应用于各个领域,实现自动化、智能化、数字化和信息化的目标。主要学习内容包...

中专的 电子 技术 应用 专业,主要学什么课程?

培养目标:在电子和计算机类软硬件公司、电子设备公司、各类企事业等单位从事有关控制系统和电子产品的软、硬件开发及调试,又可在广播与电视部门、电子工业部...

计算机 应用 专业的为什么要还学电工 电子技术 啊? - 懂得

电子电工类比如有:数字电路,模拟电路.相当于计算机硬件基础.很重要,计算机专业当然很重要。可能现在大多的人都认为计算机专业学的都应该是语言,操...

电子 技术 应用 主要学什么?

主要学:电路基础、电工基础、电子工艺、低频电子线路、高频电子线路、数字电子线路、微机原理及应用、单片机原理及应用、自动化控制技术等。主要学:电路基础...

标签:

相关阅读