电子向日葵应用 双运算放大器LM358,并制作一个电子向日葵寻光器——学习笔记

小编头像

小编

管理员

发布于:2026年04月14日

107 阅读 · 0 评论

双运算放大器LM358,并制作一个电子向日葵寻光器——学习笔记

产品介绍

运算放大器图标

一般通用性运算放大器的开环电压放大倍数非常大,一般在一万倍以上。

输出信号

微分

积分

名称由来

主要应用:

引脚

主要参数

电路示例

同向加法器

输出电压为输入电压之和

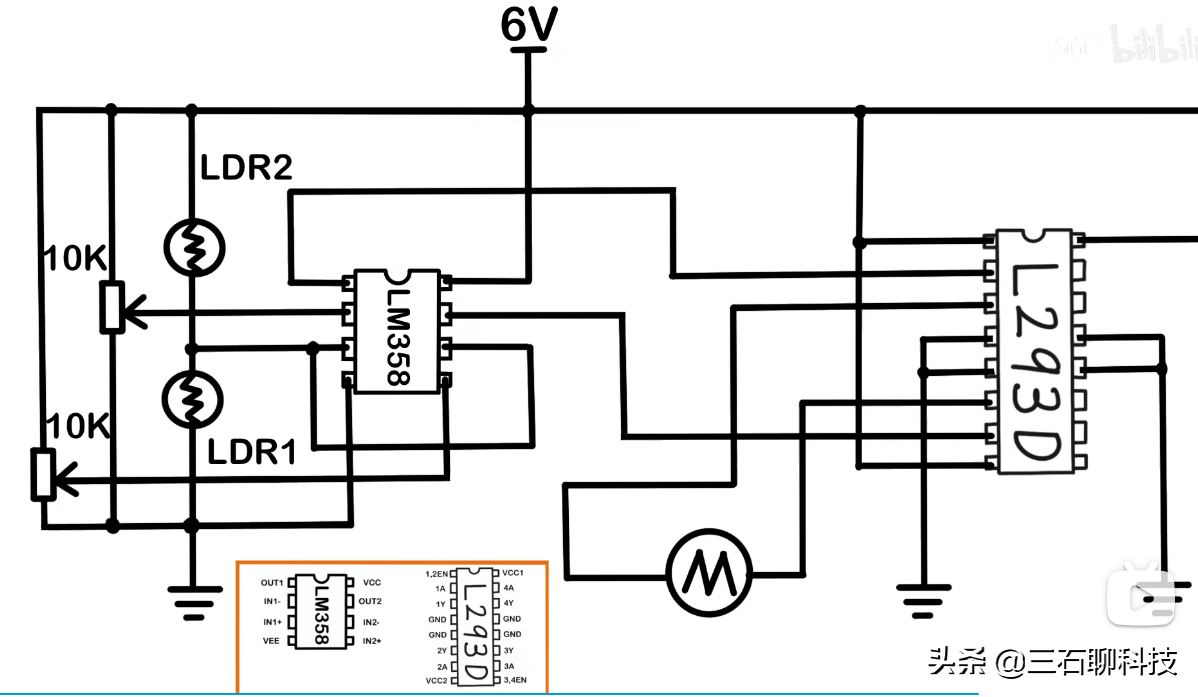
电子向日葵

跟随光源旋转

「最美应用」向日葵远程控制:不是 iPhone X 才叫黑科技,TA 让旧安卓手机秒变神器

家里的老旧安卓手机不知道如何处理?不在家时,小宠物会不会捣乱?父母小孩在家是否安全?这些问题,一部旧安卓手机全部搞定!

今天要介绍的这款「黑科技」应用,能够让你的旧安卓手机直接秒杀 iPhone X (封闭的 iOS 不可能能够让你实现远程控制哦~),来来来,让小美带你走进科学(文章结尾还有福利哦) ,看看今天推荐的远控神器——「向日葵远程控制」

「向日葵远程控制」提供了一种非常简单的控制方式,可以通过电脑端来控制安卓手机的摄像头,手机端无需 root 就能够实现哦。通过 PC 平台,只需要简单的操作,就可以把自己的手机变成一枚远程的摄像头,这样的功能着实非常吸引人。

操作简便

首先,「向日葵远程控制」可以支持各个平台的远程控制( iOS 、安卓、Windows 、Mac 、linux ) ,小美今天主要尝试的是在 Windows 系统下对于 V 3.5版本客户端的控制。

在手机端,只要安装好「向日葵V3.5版本安卓客户端」,就能够开始我们的远程控制之旅。

手机端和电脑端使用同一帐号登录后 ,电脑端主机列表中,就会自动出现你的「手机」,并且能够看到可以操作的功能选项。

点击摄像头控制,就能够快速的启动手机的摄像头 ,接下来就可以依据个人的需求,把摄像头变成你的「望远镜」,能够玩的花样就有很多啦。

手机变身远程摄像头

小美重点要说的是,「向日葵远程控制」这一套软件,能够让我们的手机从单纯的沟通工具变成信息收集工具。虽然摄像头并不是昂贵的电子产品,但是我们完全可以废物利用,把闲置的安卓手机从抽屉的深处找出来,摇身一变成为一枚远程摄像头。

通过电脑端,我们可以无障碍的查看到手机所面对的全部场景 ,只要把手机固定在那里,或者打扮成为一个装饰品,那么就能够快速的远程查看到想要观看的空间,而整个过程完全不用任何「人」参与进去。

如果你有养猫养狗,那么就可以时刻监控他们是否有在沙发上捣乱;如果家里的孩子或者老人需要更多精力来照看,那么这样的方式就会就更加简单地帮助你时刻关注他们。最近不是有很多保姆虐待孩子的新闻吗,通过「向日葵远程控制」应用,完全可以通过远程进行监控,避免危险发生。

曾经有小伙伴提到,通过「向日葵远程控制」,白天的工作时间就能够帮助家里的父母解决一些电脑上的设置问题。如果是远离家乡的小伙伴,如果思念自己的父母,也可以打开摄像头,一遍工作或学习,一边就能够默默的关注着他们,而不需要打断父母手里正在做的事情。

如果有演讲或讲座不能亲临现场,那么只要一个人把手机带进会场,通过远程控制的摄像头,其他同学聚集在宿舍里也能够无障碍的观看到演讲的全过程。

远程控制用处多

向日葵远程控制的摄像头功能,现在已经很完美的帮助我们在生活中节约时间,工作中提高效率。如果你的安卓手机已经完成 root ,那么就可以发现「向日葵远程控制」解锁的功能会更加强大,能够实现的控制也会更多,比如说,可以实现两个手机的互相控制,看,我同事正在用 iPhone 控制安卓手机。

现在我们的设备那么多,所有设备的共同控制,我相信每一名用户都有这样的需求,向日葵远程控制就是帮助我们解决了这样的问题。

最美福利

最后,给大家带来一波福利。向日葵的小伙伴,像他们的名字一样阳光向上,给我们带来「向日葵远程控制」的兑换码,可以免费使用「电脑控制手机+手机控制手机」一个月哦。

大家只要注册了帐号,点击兑换链接就可以免费体验高科技。这么好的应用,美友们赶快行动起来吧。

兑换码:3459764571

兑换链接:http://buy.oray.com/coupon/sunlogin

下载地址

下载最美应用客户端, 马上拥有所有好用、好玩、好看的「最美应用」!

(如链接不可点击,前往 App Store 或各应用商店搜索「最美应用」即可~)

© 本文著作权归作者所有,并授权最美应用独家使用,未经最美应用官方许可,不得转载使用。

相关问答

向日葵 软件是干嘛的-ZOL问答

向日葵软件是一款远程控制工具,用于帮助用户在不同设备之间进行数据传输和文件共享。它提供了一种便捷的方式来访问个人计算机、移动设备或其他网络存储设备上...

android平板用 向日葵 远程控制电脑可以使用键盘吗-ZOL问答

向日葵远程控制是一款功能强大的安卓应用,可以通过网络连接控制电脑。您可以使用该应用来操作电脑的键盘、鼠标和屏幕。对于远程桌面而言,只需要在两台设备之...

有没有什么软件可以远程控制孩子手机,设定什么可以用?

在科技技术快速发展的时代,小孩子从小就开始接触电子产品,而自制力较差的孩子很容易沉迷其中,家长想要对孩子的手机加以管控已经在家长之间似乎达成了共识。...

有人被 向日葵 保险网骗过吗?- 汇财吧专业问答

[回答]日葵保险网会员,本来想买个试一试,她吗的向日葵的业务员在朋友圈骂人,后来同事说没什么用。这种人能做好吗,又到网上了解下,骂声一片,我说不办了?向...

有哪些好玩的Galgame游戏?

谢邀~这里是喜爱游戏的小白话说为什么邀请小白回答这样的问题啊?在头条回答这样的问题好吗?会不会被封号啊?小白怕怕的啊!虽然很害怕,但是是时候拿出压箱...12...

向日葵 安联臻爱医疗保险信息需要变更,如何变更- 汇财吧专业问答

[回答]问:向日葵安联臻爱医疗保险投保前的既往疾病是否在报销范围内答:投保前的既往疾病不在保障范围内,投保前的疾病包括保单生效前医生已有明确诊断,长...

沐鸣2019下载_沐鸣2019汉化版APPv5.9.2-AppChina 应用汇

沐鸣2019安卓版手机软件下载,提供【沐鸣2019】软件免费下载到安卓手机:《沐鸣2019》累计玩家已达2亿,集结庆典超稀有福利整月送!…

网上保险平台主要有哪些?

网上保险平台主要包括:1、招商信诺保险。一直积极研发符合中国市场需求的团体与个人人寿、健康、高端医疗、意外及伤残等保险产品,可以为客户提供超过500家公...

乐虎体育app注册下载_乐虎体育app注册APPv9.2.16-AppChina 应用汇

乐虎体育app注册安卓版手机软件下载,提供【乐虎体育app注册】软件免费下载到安卓手机:《乐虎体育app注册》累计玩家已达2亿,集结庆典超稀有福利整月送!…

向日葵 保险怎么样?,怎么样?- 汇财吧专业问答

[回答]向日葵不是个保险公司,是个保险咨询网站,通过网站可以查询一些保险公司的产品及代理人信息,也可通过他们的网站购买保险产品,仅此而已!向日葵保险...

标签:

相关阅读